
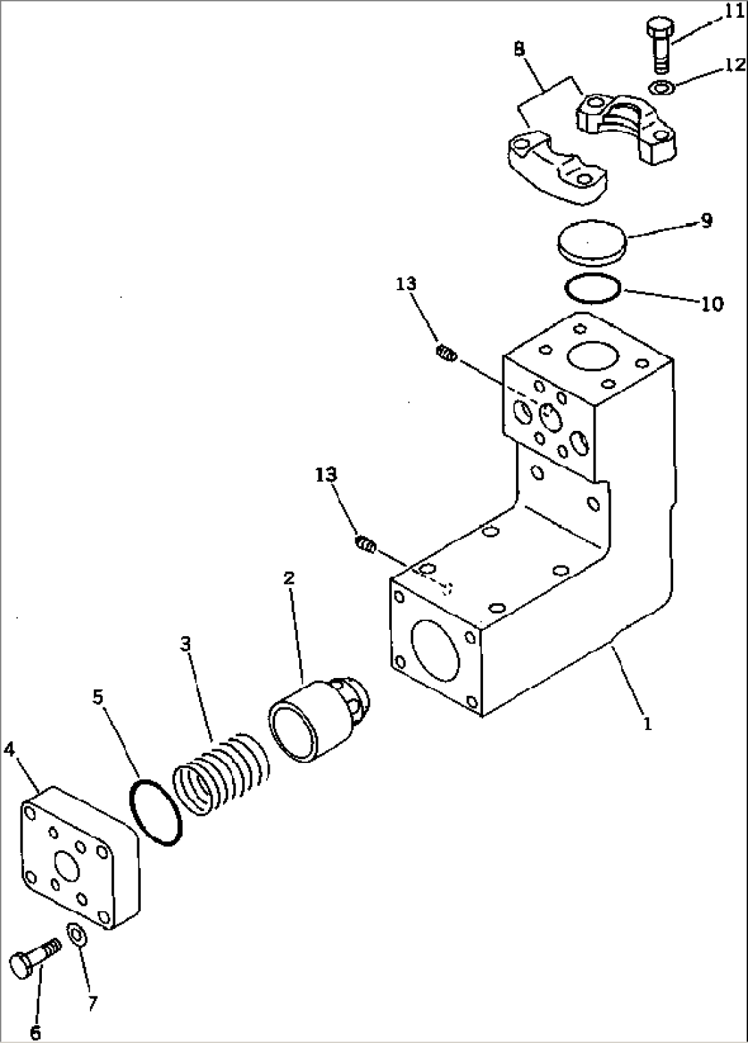
| Item | Part No. | Part Name | Qty | Serial No. |
| 209-60-52301 | VALVE ASS'Y | 10501- | ||
| 1 | 209-60-52311 | BODY | 10501- | |
| 2 | 207-60-31250 | POPPET | 10501- | |
| 3 | 209-60-52320 | SPRING | 10501- | |
| 4 | 209-60-52331 | FLANGE | 10501- | |
| 5 | 07000-02075 | O-RING | 10501- | |
| 6 | 01010-51050 | BOLT | 10501- | |
| 7 | 01643-31032 | WASHER | 10501- | |
| 8 | 07371-32076 | FLANGE,SPLIT | 10501- | |
| 9 | 07378-12000 | HEAD | 10501- | |
| 10 | 07000-02060 | O-RING | 10501- | |
| 11 | 07372-21240 | BOLT | 10501- | |
| 12 | 01643-51232 | WASHER | 10501- | |
| 13 | 07042-00108 | PLUG | 10501- |
