
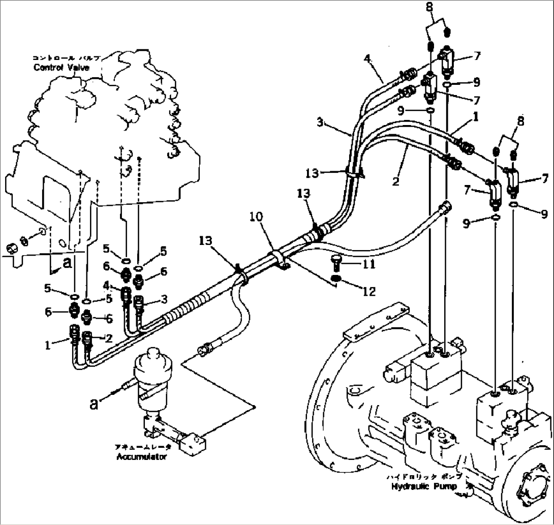
Item | Part No. | Part Name | Qty | Serial No. |
207-62-33750 | HOSE ASS'Y | 12001- | ||
1 | 207-62-33720 | HOSE | 12001- | |
2 | 207-62-33720 | HOSE | 12001- | |
3 | 207-62-33730 | HOSE | 12001- | |
4 | 207-62-33730 | HOSE | 12001- | |
5 | 07002-11423 | O-RING | 12001- | |
6 | 07230-20210 | UNION | 14584- | |
6 | \0\07230-10210 | UNION | 12001-14583 | |
7 | 207-62-33780 | ELBOW | 12001- | |
8 | 07042-30108 | PLUG | 12001- | |
9 | 07002-11423 | O-RING | 12001- | |
10 | 21K-03-11190 | CLIP | 12001- | |
11 | 01010-51225 | BOLT | 12001- | |
12 | 01643-31232 | WASHER | 12001- | |
13 | 08034-00536 | BAND | 12001- |