
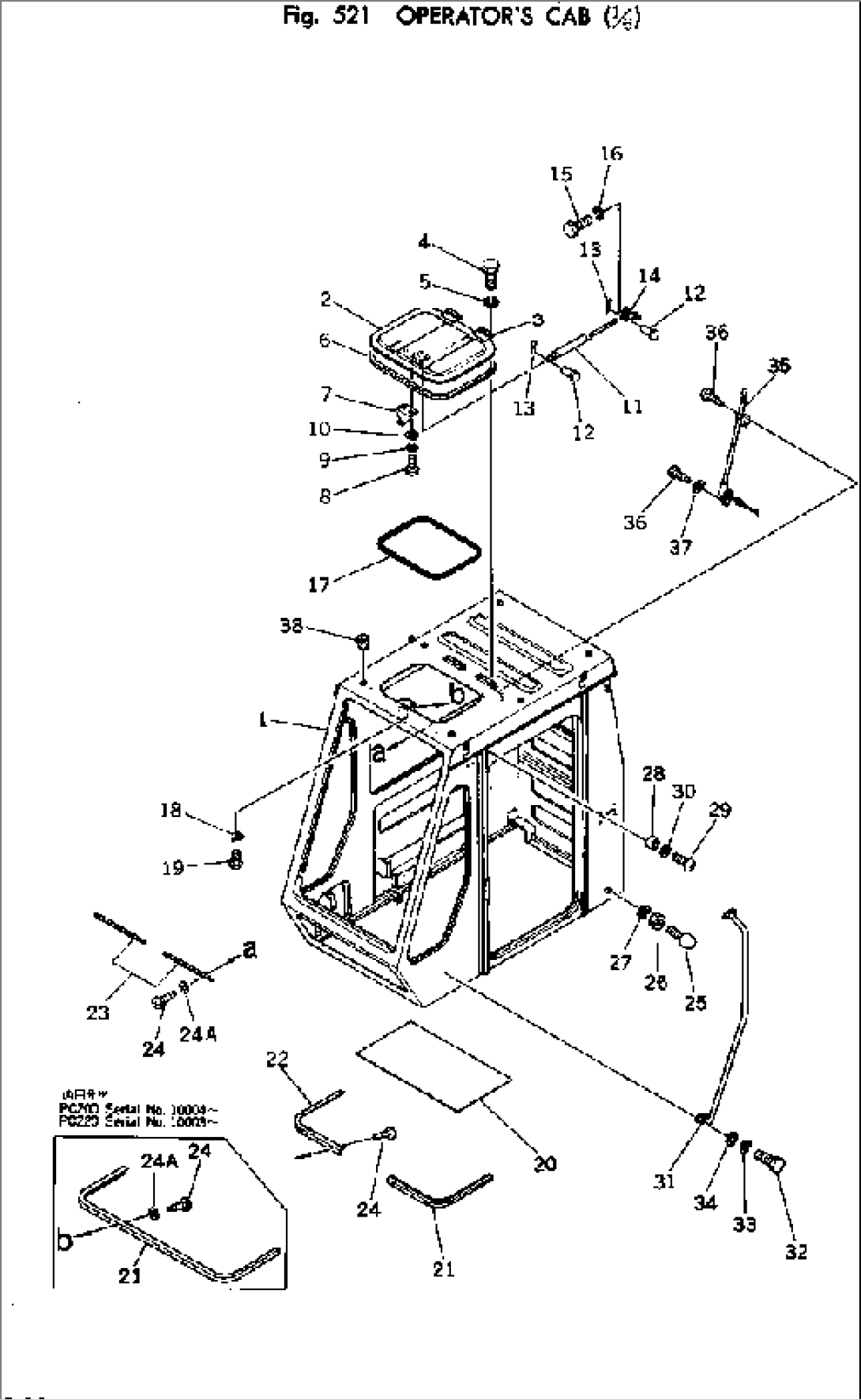
Item | Part No. | Part Name | Qty | Serial No. |
205-54-00122 | OPERATOR'S CAB ASS'Y | 10124- | ||
\0\205-54-00121 | OPERATOR'S CAB ASS'Y | 10003-10123 | ||
\0\205-54-00120 | OPERATOR'S CAB ASS'Y | 10001-10002 | ||
1 | 205-54-63100 | CABIN | 10001- | |
2 | 205-54-61231 | COVER | 10001- | |
3 | 205-54-63490 | HINGE (WELDED) | 10001- | |
4 | 01010-30612 | BOLT | 10001- | |
5 | 01602-00619 | WASHER | 10001- | |
6 | 205-54-61491 | SEAL | 10001- | |
7 | 205-54-63630 | HOOK | 10001- | |
8 | 01220-40412 | SCREW | 10001- | |
9 | 01601-20410 | WASHER | 10001- | |
10 | 01642-20405 | WASHER | 10001- | |
11 | 205-54-63650 | GAS SPRING ASS'Y | 10001- | |
12 | 04205-10825 | PIN | 10001- | |
13 | 04050-12012 | PIN | 10001- | |
14 | 205-54-63640 | BRACKET | 10001- | |
15 | 01010-50820 | BOLT | 10001- | |
16 | 01602-20825 | WASHER | 10001- | |
17 | 205-54-61541 | FINISHER | 10001- | |
18 | 203-54-11290 | CATCHER | 10001- | |
19 | 01224-40410 | SCREW | 10001- | |
20 | 205-54-63930 | SEAT | 10001- | |
21 | 205-54-63611 | FINISHER,L.H. | 10001- | |
22 | 205-54-63621 | FINISHER,R.H. | 10001-10002 | |
23 | 205-54-63950 | FINISHER | 10001- | |
24 | 01370-00412 | SCREW | 10003- | |
24 | 205-54-53620 | SCREW | 10001-10002 | |
24A | 01641-20405 | WASHER | 10003- | |
25 | 205-54-63460 | STOPPER | 10001- | |
26 | 01580-00806 | NUT | 10001- | |
27 | 01602-00825 | WASHER | 10001- | |
28 | 205-54-51960 | CUSHION | 10001- | |
29 | 01370-00412 | SCREW | 10001- | |
30 | 01641-20405 | WASHER | 10001- | |
31 | 205-54-63350 | HANDLE | 10001- | |
32 | 01010-30825 | BOLT | 10001- | |
33 | 01602-00825 | WASHER | 10001- | |
34 | 01641-00812 | WASHER | 10001- | |
35 | 205-06-51230 | ANTENNA | 10001- | |
36 | 01224-40425 | SCREW | 10001- | |
37 | 01601-20410 | WASHER | 10001- | |
38 | 07049-01215 | PLUG | 10001- |