
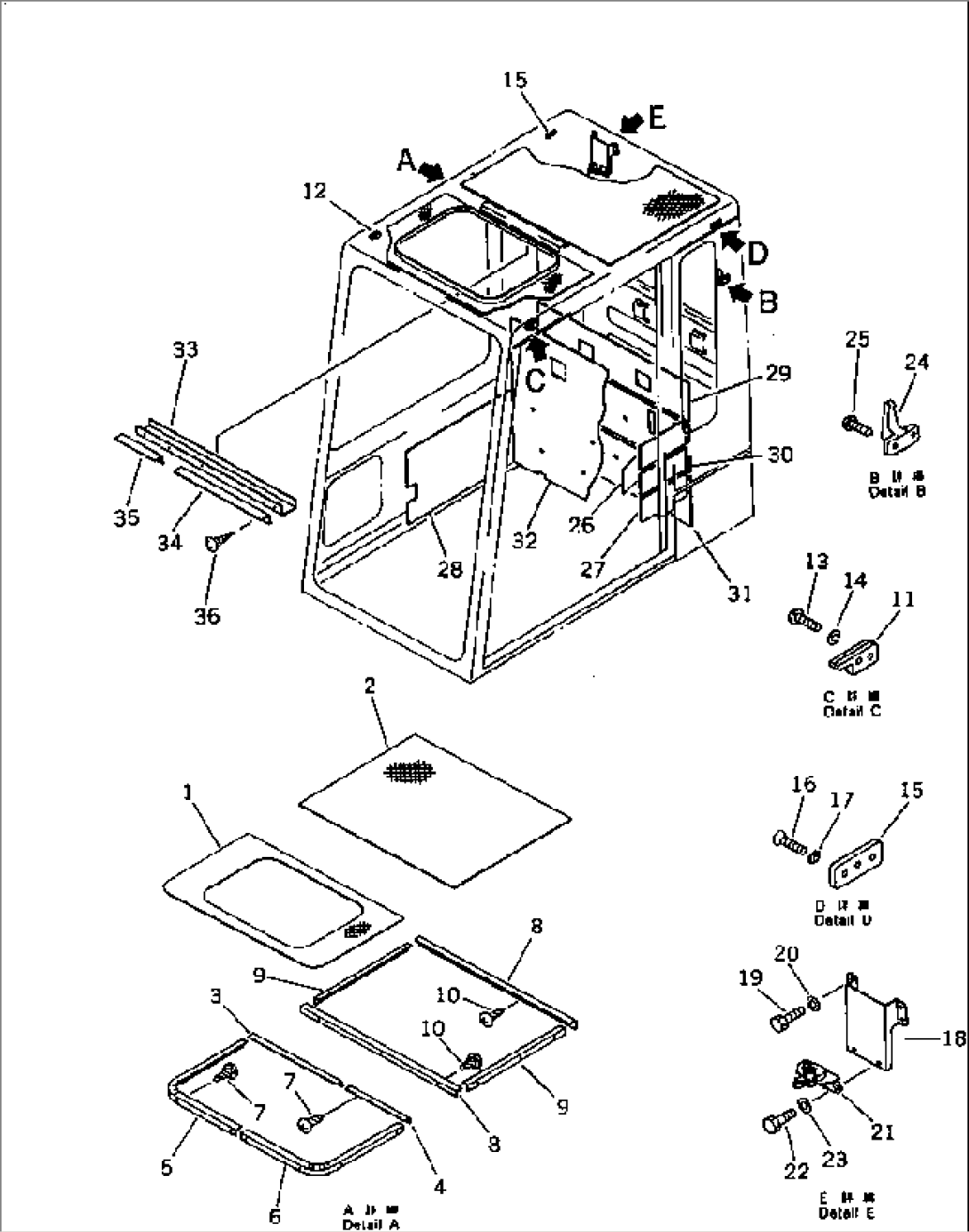
| Item | Part No. | Part Name | Qty | Serial No. |
| (205-54-00256) | OPERATOR'S CAB ASS'Y | 14279- | ||
| \0\205-54-00255 | OPERATOR'S CAB ASS'Y | 12957-14278 | ||
| \0\205-54-00254 | OPERATOR'S CAB ASS'Y | 12239-12956 | ||
| 1 | 205-54-72271 | LINING | 12001- | |
| 2 | 205-54-72282 | LINING | 12239- | |
| 3 | 205-54-72311 | FINISHER | 12001- | |
| 4 | 205-54-72321 | FINISHER | 12001- | |
| 5 | 205-54-72291 | FINISHER | 12001- | |
| 6 | 205-54-72851 | FINISHER | 12001- | |
| 7 | 01370-00412 | SCREW | 12001- | |
| 8 | 205-54-72341 | FINISHER | 12001- | |
| 9 | 205-54-72331 | FINISHER | 12001- | |
| 10 | 01370-00412 | SCREW | 12001- | |
| 11 | 205-54-72550 | DOVE TAIL,L.H. | 12001- | |
| 12 | 205-54-72560 | DOVE TAIL,R.H. | 12001- | |
| 13 | 01220-40625 | SCREW | 12001- | |
| 14 | 01601-20619 | WASHER,SPRING | 12001- | |
| 15 | 205-54-72790 | LOCK | 12001- | |
| 16 | 01224-40820 | SCREW | 12001- | |
| 17 | 205-54-72750 | WASHER,LOCK | 12001- | |
| 18 | 205-54-72582 | BRACKET | 12001- | |
| 19 | 01010-50816 | BOLT | 12001- | |
| 20 | 01643-30823 | WASHER | 12001- | |
| 21 | 205-54-63310 | LOCK ASS'Y | 12001- | |
| 22 | 01010-50820 | BOLT | 12001- | |
| 23 | 01643-30823 | WASHER | 12001- | |
| 24 | 205-54-51250 | HANGER | 12001- | |
| 25 | 01370-00412 | SCREW | 12001- | |
| 26 | 205-54-72940 | SEAT | 12239- | |
| 27 | 205-54-71471 | SEAT | 12239- | |
| 28 | 205-54-71460 | SEAT | 12239- | |
| 29 | 205-54-72950 | SEAT | 12239- | |
| 30 | 205-54-72960 | SHEET | 12239- | |
| 31 | 205-54-72970 | SHEET | 12239- | |
| 32 | 205-54-71451 | SHEET | 12239- |
