
| Item | Part No. | Part Name | Qty | Serial No. |
| (20Y-54-00016) | OPERATOR'S CAB ASS'Y | 7690- | ||
| (\0\20Y-54-00015) | OPERATOR'S CAB ASS'Y | 6273-7689 | ||
| (\0\20Y-54-00014) | OPERATOR'S CAB ASS'Y | 6001-6272 | ||
| THIS ASSEMBLY CONSISTS OF ALL PARTS SHOWN IN FIGS.K0210-01A0 TO K0210-07A0. | ||||
| (20Y-54-00240) | OPERATOR'S CAB ASS'Y | 7690- | ||
| THIS ASSEMBLY CONSISTS OF ALL PARTS SHOWN IN FIGS.K0210-01A2¤02A0¤03A0A¤ 04A0A¤05A0¤06A0 AND 07A0. | ||||
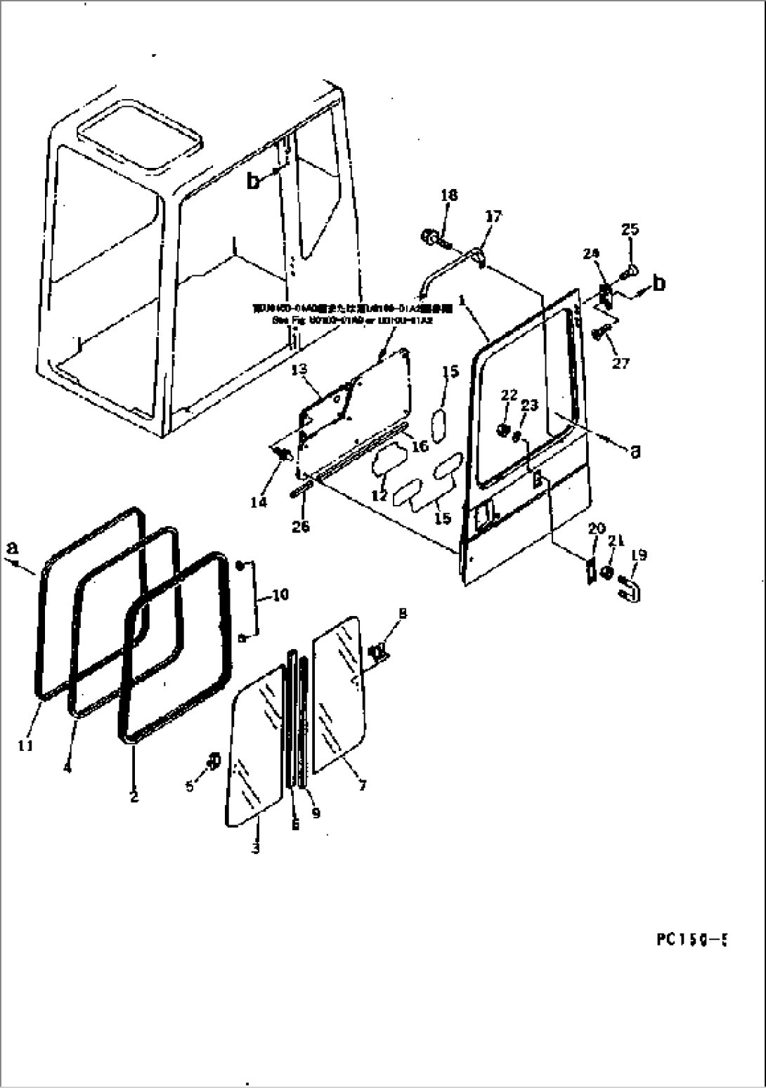
| 20Y-54-00024 | DOOR ASS'Y | 6001- | ||
| THIS ASSEMBLY CONSISTS OF ALL PARTS SHOWN IN FIGS.K0210-06A0 AND K0210-08A1. | ||||
| 1 | 20Y-54-11184 | DOOR | 6001- | |
| 2 | 20Y-54-13113 | SASH | 6001- | |
| 3 | 20Y-54-13134 | GLASS | 6001- | |
| 4 | 20Y-54-13150 | SEAL | 6001- | |
| 5 | 20Y-54-13322 | LOCK | 6001- | |
| 6 | 20Y-54-13161 | SASH | 6001- | |
| 7 | 20Y-54-13124 | GLASS | 6001- | |
| 8 | 20Y-54-14352 | LOCK ASS'Y | 6001- | |
| 9 | 20Y-54-13171 | SEAL | 6001- | |
| 10 | 20Y-54-13180 | SEAT | 6001- | |
| 11 | 20Y-54-13190 | TRIM | 6001- | |
| 12 | 20Y-54-13450 | SEAL | 6001- | |
| 13 | 20Y-54-11692 | COVER | 6001- | |
| 14 | 20Y-54-14560 | CLIP ASS'Y | 6001- | |
| 15 | 20Y-54-13460 | SEAL | 6001- | |
| 16 | 20Y-54-13851 | SEAL | 6001- | |
| 17 | 20Y-54-14390 | GRIP | 6001- | |
| 18 | 20Y-54-14360 | BOLT | 6001- | |
| 19 | 20Y-54-11813 | STRIKER | 6001- | |
| 20 | 20Y-54-14570 | PLATE | 6001- | |
| 21 | 01581-01008 | NUT | 6001- | |
| 22 | 01580-11008 | NUT | 6001- | |
| 23 | 01643-31032 | WASHER | 6001- | |
| 24 | 20Y-54-14180 | HINGE ASS'Y | 6001- | |
| 25 | 20Y-54-14170 | SCREW | 6001- | |
| 26 | 20Y-54-14470 | SEAL | 6001- | |
| 27 | 20Y-54-14170 | SCREW | 6001- |
