
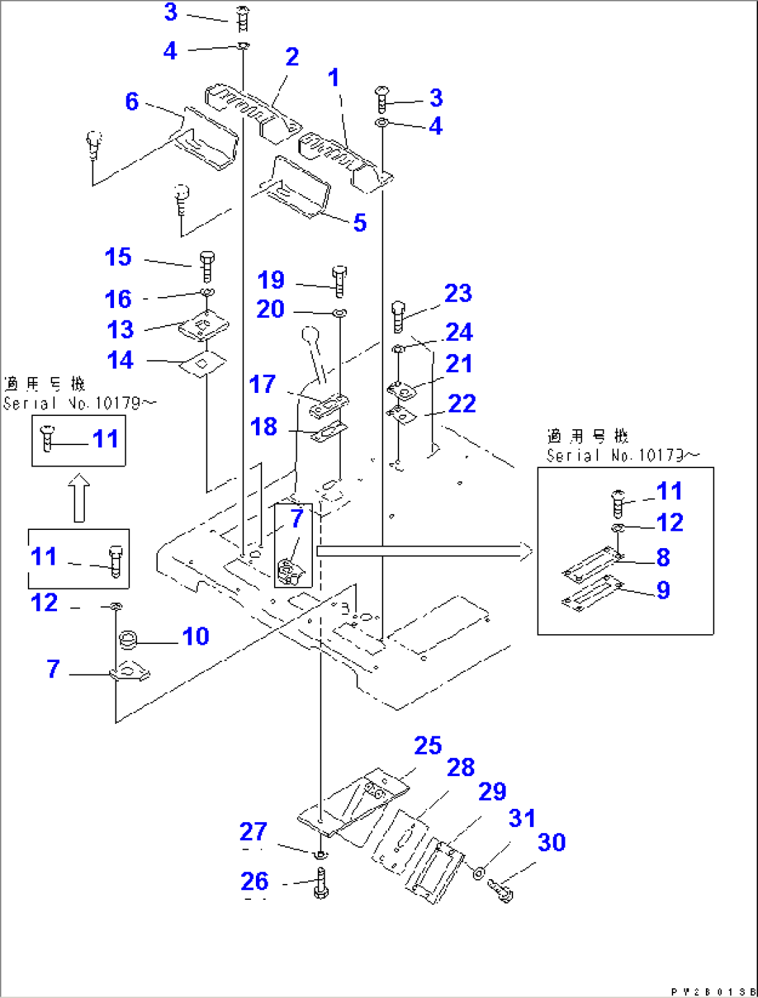
| Item | Part No. | Part Name | Qty | Serial No. |
| 1 | 23B-43-12340 | COVER,L.H. | 10001- | |
| 2 | 23B-43-12310 | COVER,R.H. | 10001- | |
| 3 | 01220-40820 | SCREW | 10001- | |
| 4 | 01643-30823 | WASHER | 10001- | |
| 5 | 23B-43-12350 | PLATE,L.H. | 10001- | |
| 6 | 23B-43-12320 | PLATE,R.H. | 10001- | |
| 7 | 23B-43-12210 | COVER | 10179- | |
| 7 | 23B-43-12210 | COVER | 10001-10178 | |
| 8 | 23A-43-18760 | COVER | 10179- | |
| 9 | 23A-43-18770 | COVER | 10179- | |
| 10 | 235-957-2170 | GROMMET | 10179- | |
| 10 | 235-957-2170 | GROMMET | 10001-10178 | |
| 11 | 01220-40820 | SCREW | 10179- | |
| 11 | 01010-50820 | BOLT | 10001-10178 | |
| 12 | 01643-30823 | WASHER | 10179- | |
| 12 | 01643-30823 | WASHER | 10001-10178 | |
| 13 | 23E-43-12241 | COVER | 10001- | |
| 14 | 23E-43-12251 | SEAT | 10001- | |
| 15 | 01010-50825 | BOLT | 10001- | |
| 16 | 01643-30823 | WASHER | 10001- | |
| 17 | 23B-43-12230 | COVER | 10001- | |
| 18 | 23B-43-12240 | SEAT | 10001- | |
| 19 | 01010-50820 | BOLT | 10001- | |
| 20 | 01643-30823 | WASHER | 10001- | |
| 21 | 23B-43-12250 | COVER | 10001- | |
| 22 | 23B-43-12260 | SEAT | 10001- | |
| 23 | 01010-50825 | BOLT | 10001- | |
| 24 | 01643-30823 | WASHER | 10001- | |
| 25 | 23E-43-12210 | COVER | 10001- | |
| 26 | 01010-50825 | BOLT | 10001- | |
| 27 | 01643-30823 | WASHER | 10001- | |
| 28 | 23E-43-12220 | PLATE | 10001- | |
| 29 | 23E-43-12230 | SEAT | 10001- | |
| 30 | 01010-50616 | BOLT | 10001- | |
| 31 | 01643-30623 | WASHER | 10001- |
