
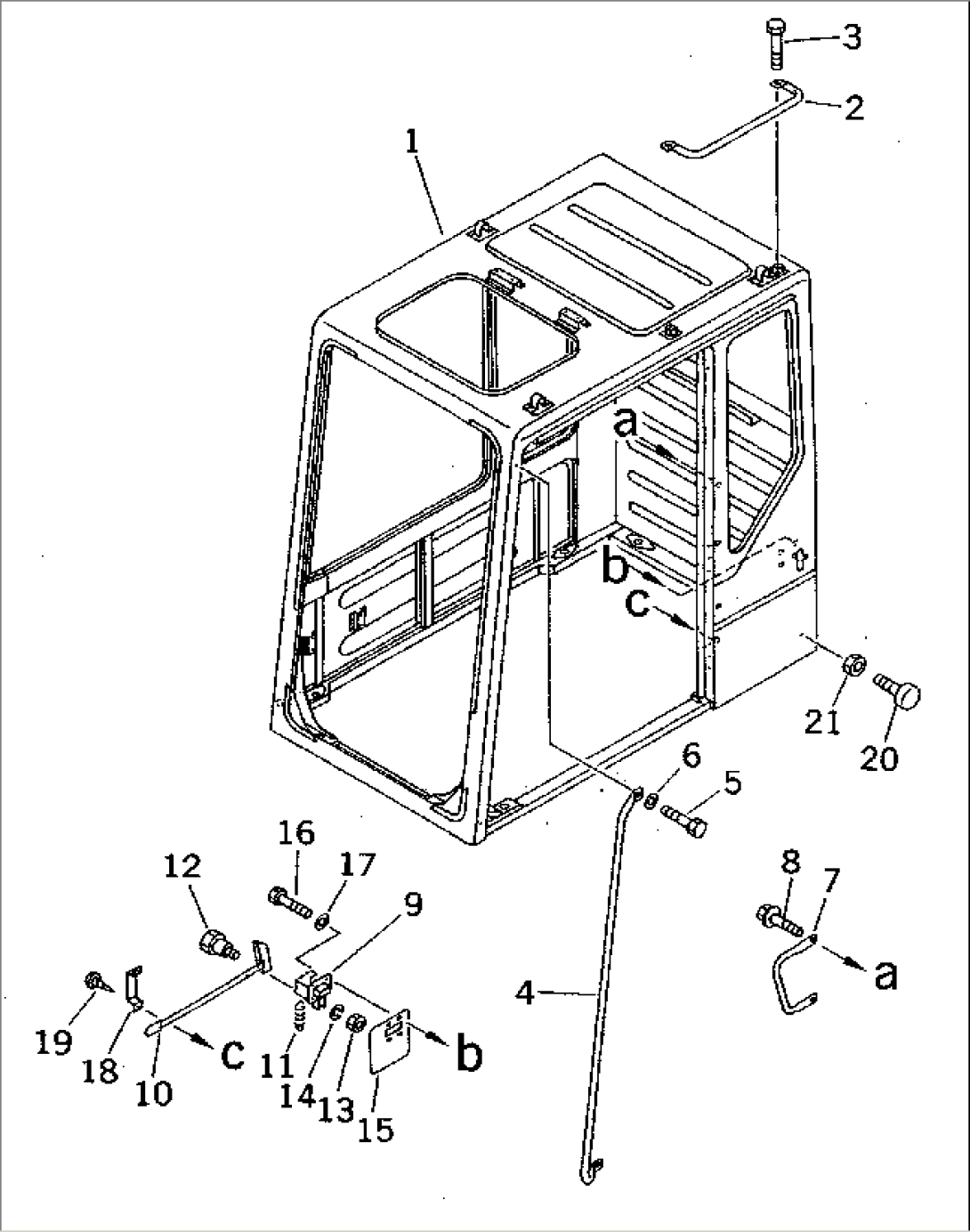
| Item | Part No. | Part Name | Qty | Serial No. |
| 209-54-00160 | OPERATOR'S CAB ASS'Y | 10110-10110 | ||
| THIS ASSEMBLY CONSISTS OF ALL PARTS SHOWN IN FIGS.K0210-01A0A TO K0210-10A0A. | ||||
| 1 | 209-54-61710 | CAB | 10110-10110 | |
| 2 | 209-54-61740 | GRIP | 10110-10110 | |
| 3 | 01435-31225 | BOLT | 10110-10110 | |
| 4 | 209-54-61750 | GRIP | 10110-10110 | |
| 5 | 20Y-43-12160 | BOLT | 10001-@ | |
| 6 | 01643-71032 | WASHER | 10001-@ | |
| 7 | 20Y-54-11783 | GRIP | 10001-@ | |
| 8 | 20Y-54-14360 | BOLT | 10001-@ | |
| 20Y-54-11890 | LOCK ASS'Y | 10001-@ | ||
| 9 | 20Y-54-13530 | LOCK | 10001-@ | |
| 10 | 20Y-54-13540 | LEVER | 10001-@ | |
| 11 | 20Y-54-13550 | SPRING | 10001-@ | |
| 12 | 20Y-54-13560 | PIN | 10001-@ | |
| 13 | 01580-10605 | NUT | 10001-@ | |
| 14 | 01602-20619 | WASHER | 10001-@ | |
| 15 | 209-54-61640 | PLATE | 10110-10110 | |
| 16 | 01010-50825 | BOLT | 10001-@ | |
| 17 | 01643-30823 | WASHER | 10001-@ | |
| 18 | 209-54-61620 | PLATE | 10110-10110 | |
| 19 | 01370-40412 | SCREW | 10001-@ | |
| 20 | 20Y-54-11611 | STOPPER | 10001-@ | |
| 21 | 01580-11008 | NUT | 10001-@ |
