
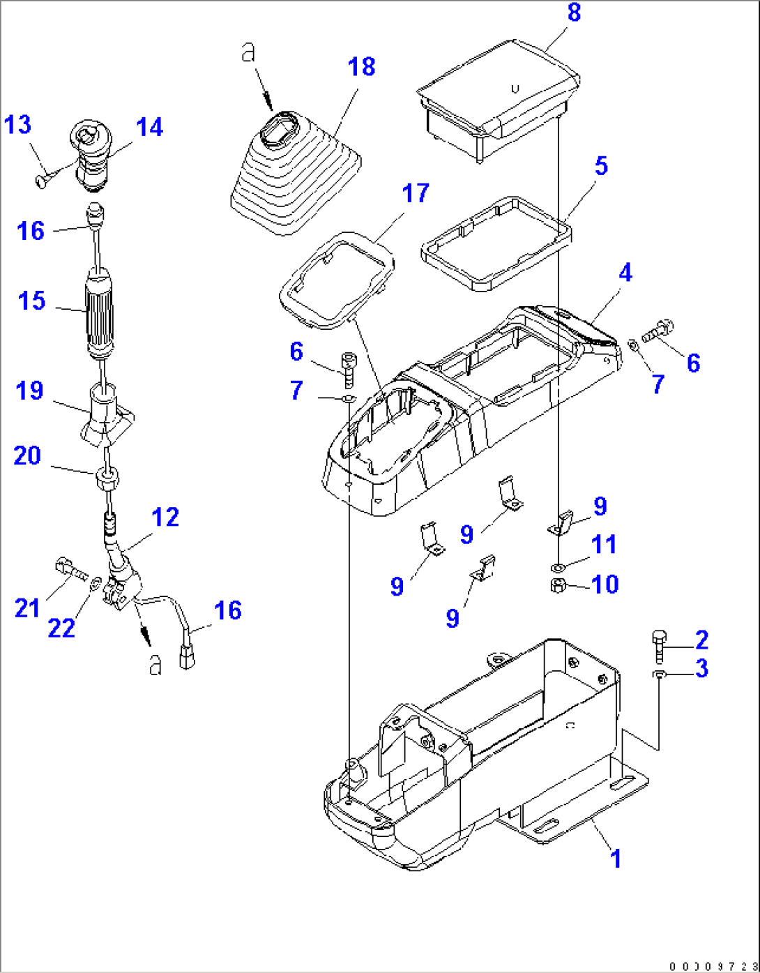
| Item | Part No. | Part Name | Qty | Serial No. |
| 1 | 456-954 | BRACKET,R.H. | 7038- | |
| 2 | 107-966 | BOLT | 7038- | |
| 3 | 455-132 | WASHER | 7038- | |
| 4 | 457-700 | COVER,PANEL | 7038- | |
| 5 | 458-747 | SHEET | 7038- | |
| 6 | 456-880 | BOLT | 7038- | |
| 7 | 455-131 | WASHER | 7038- | |
| 8 | 459-350 | MONITOR ASS'Y | 7038- | |
| 459-809 | COVER ASS'Y | 7038- | ||
| 459-737 | BODY | 7038- | ||
| 9 | 456-944 | BRACKET | 7038- | |
| 10 | 108-046 | NUT | 7038- | |
| 11 | 455-119 | WASHER | 7038- | |
| 457-990 | LEVER ASS'Y,R.H. | 7038- | ||
| 12 | 457-980 | LEVER,R.H. | 7038- | |
| 457-977 | KNOB | 7038- | ||
| 13 | 455-293 | SCREW | 7038- | |
| 14 | 457-973 | KNOB | 7038- | |
| 15 | 457-966 | INSERT | 7038- | |
| 16 | 458-857 | SWITCH | 7038- | |
| 17 | 458-501 | PLATE | 7038- | |
| 18 | 456-887 | BOOT | 7038- | |
| 19 | 456-886 | BOOT | 7038- | |
| 20 | 458-418 | NUT | 7038- | |
| 21 | 456-610 | BOLT | 7038- | |
| 22 | 455-229 | WASHER | 7038- |
