
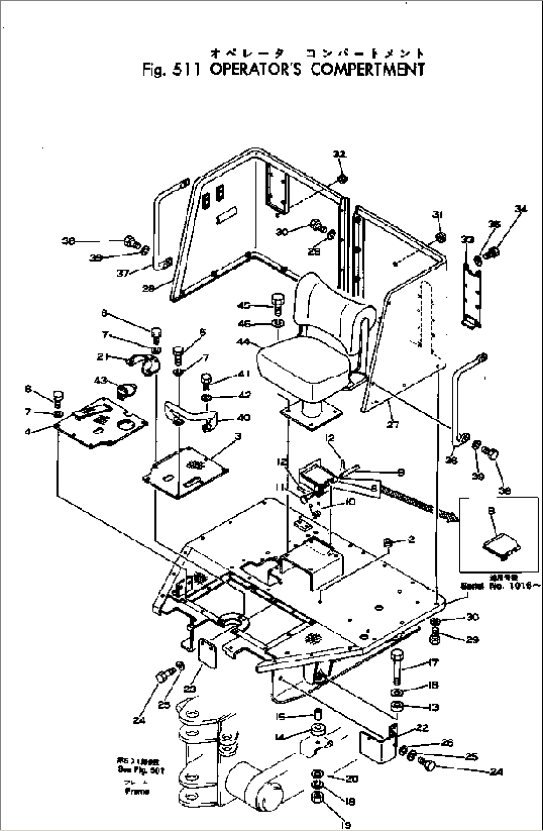
| Item | Part No. | Part Name | Qty | Serial No. |
| 1 | 237-54-11110 | FRAME,FLOOR | 1002- | |
| 2 | 08037-01008 | GROMMET | 1002- | |
| 3 | 237-54-11120 | PLATE,FLOOR | 1002- | |
| 4 | 237-54-11130 | PLATE,FLOOR | 1002- | |
| 236-54-21171 | PEDAL,ACCELERATOR | 1002- | ||
| 5 | 01010-31025 | BOLT | 1002- | |
| 6 | 01010-31020 | BOLT | 1002- | |
| 7 | 01602-01030 | WASHER,SPRING | 1002- | |
| 8 | 237-54-11151 | COVER | 1016- | |
| 237-54-11150 | COVER | 1002-1015 | ||
| 9 | 237-54-11160 | PIN | 1002- | |
| 10 | 131-54-11150 | SPRING | 1002- | |
| 11 | 04205-10616 | PIN | 1002- | |
| 12 | 04050-11610 | PIN,COTTER | 1002- | |
| 13 | 237-54-11270 | CUSHION | 1136- | |
| 565-54-12810 | CUSHION | 1002-1135 | ||
| 14 | 237-54-11280 | CUSHION | 1136- | |
| 565-54-12820 | CUSHION | 1002-1135 | ||
| 15 | 234-54-11470 | COLLAR | 1136- | |
| 565-54-12830 | COLLAR | 1002-1135 | ||
| 16 | 234-54-11480 | PLATE | 1136- | |
| 565-54-12840 | PLATE | 1002-1135 | ||
| 17 | 01010-31695 | BOLT | 1002- | |
| 18 | 01602-01648 | WASHER,SPRING | 1002- | |
| 19 | 01580-01613 | NUT | 1002- | |
| 20 | 01640-21626 | WASHER | 1002- | |
| 21 | 237-54-11170 | COVER | 1002- | |
| 22 | 237-54-11180 | COVER | 1002- | |
| 23 | 237-54-11190 | COVER | 1002- | |
| 24 | 01010-31020 | BOLT | 1002- | |
| 25 | 01602-01030 | WASHER,SPRING | 1002- | |
| 26 | 01640-21016 | WASHER | 1002- | |
| 27 | 237-54-11210 | GUARD,L.H. | 1002- | |
| 28 | 237-54-11220 | GUARD,R.H. | 1002- | |
| 29 | 01010-31225 | BOLT | 1002- | |
| 30 | 01602-01236 | WASHER,SPRING | 1002- | |
| 31 | 08037-01610 | GROMMET | 1002- | |
| 32 | 08037-03614 | GROMMET | 1002- | |
| 33 | 237-54-11230 | PLATE | 1002- | |
| 34 | 01010-30616 | BOLT | 1002- | |
| 35 | 01602-00619 | WASHER,SPRING | 1002- | |
| 36 | 234-54-11361 | HAND RAIL,L.H. | 1002- | |
| 37 | 234-54-11371 | HAND RAIL,R.H. | 1002- | |
| 38 | 01010-31020 | BOLT | 1002- | |
| 39 | 01602-01030 | WASHER,SPRING | 1002- | |
| 40 | 237-54-11240 | STEP | 1002- | |
| 41 | 01010-31020 | BOLT | 1002- | |
| 42 | 01602-01030 | WASHER,SPRING | 1002- | |
| 43 | 237-54-11250 | COVER | 1002- | |
| 44 | (237-54-14101) | OPERATOR'S SEAT A. | 1184- | |
| (237-54-14100) | OPERATOR'S SEAT A. | 1002-1183 | ||
| 45 | 01010-31425 | BOLT | 1002- | |
| 46 | 01602-01442 | WASHER,SPRING | 1002- |
