
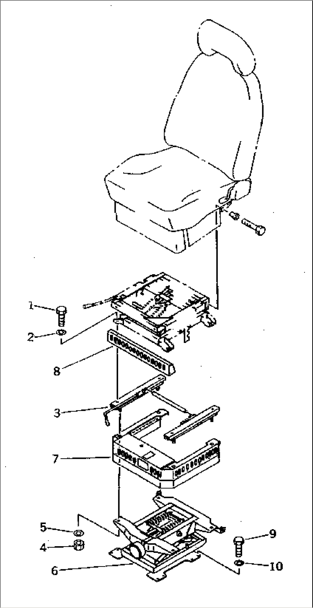
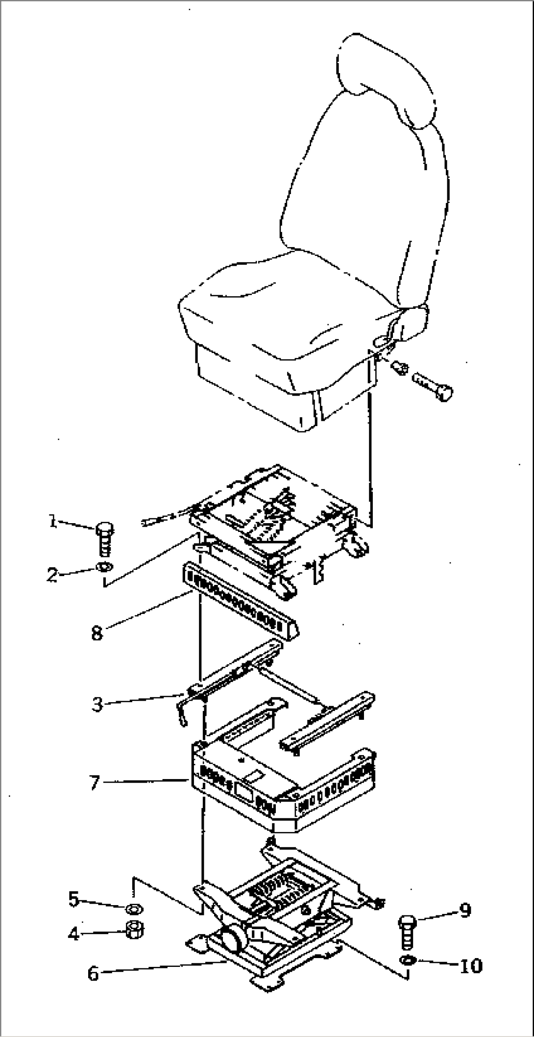
| Item | Part No. | Part Name | Qty | Serial No. |
| 1 | 01010-50816 | BOLT | 20001- | |
| 2 | 01641-20812 | WASHER | 20001- | |
| 3 | 205-57-74181 | ADJUSTER ASS'Y | 20001- | |
| 4 | 01580-10806 | NUT | 20001- | |
| 5 | 01641-20812 | WASHER | 20001- | |
| 6 | 205-57-74160 | SUSPENSION ASS'Y | 20001- | |
| 7 | 205-57-74170 | COVER | 20001- | |
| 8 | 205-57-74190 | COVER | 20001- | |
| 9 | 01010-51230 | BOLT | 20001- | |
| 10 | 01643-31232 | WASHER | 20001- |
