
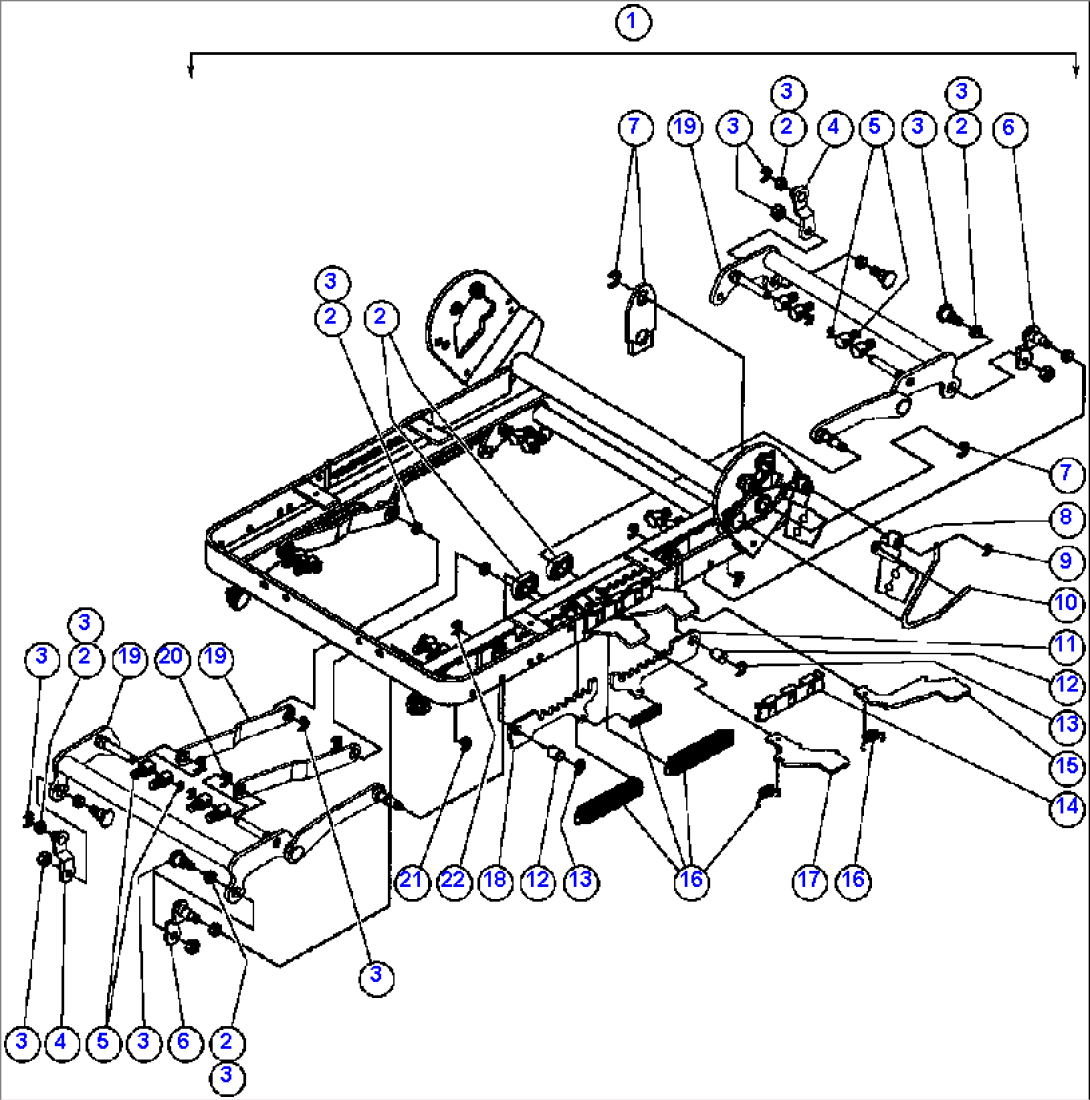
| Item | Part No. | Part Name | Qty | Serial No. |
| 1 | XA2237 | SEAT FRAME ASSEMBLY | ||
| 2 | LA0340 | KIT, BUSHING | ||
| 3 | LA0341 | KIT, BUSHING/HARDWARE | ||
| 4 | LINK, PIVOT (1)/(2) | |||
| 5 | LA0343 | KIT, SWIVEL BOLT | ||
| 6 | LINK, PIVOT (1)/(2) | |||
| 7 | BF0442 | KIT, TOOTH PLATE | ||
| 8 | LA0346 | LEVER, BACKREST | ||
| 9 | VE4587 | SNAP RING | ||
| 10 | LA0347 | SPRING, TENSION | ||
| 11 | LA0348 | PLATE, LATCH | ||
| 12 | LA0349 | PIN, PIVOT LATCH | ||
| 13 | LA0350 | RING, RETAINING | ||
| 14 | VE4572 | GUIDE, LEVER | ||
| 15 | LA0351 | LEVER, REAR | ||
| 16 | VE4571 | KIT, SPRING | ||
| 17 | LA0352 | LEVER, FRONT | ||
| 18 | LA0353 | PLATE, LATCH | ||
| 19 | LA0345 | FRAME, SEAT | ||
| 20 | LA0354 | RING, RETAINING | ||
| 21 | LA0355 | "U" CLIP | ||
| 22 | LA0350 | RING, RETAINING | ||
| NS|23 | NOTE: (1) INCLUDED IN LA0345 SEAT FRAME. | |||
| NS|24 | (2) NOT SERVICED SEPARATELY. |
