
| Item | Part No. | Part Name | Qty | Serial No. |
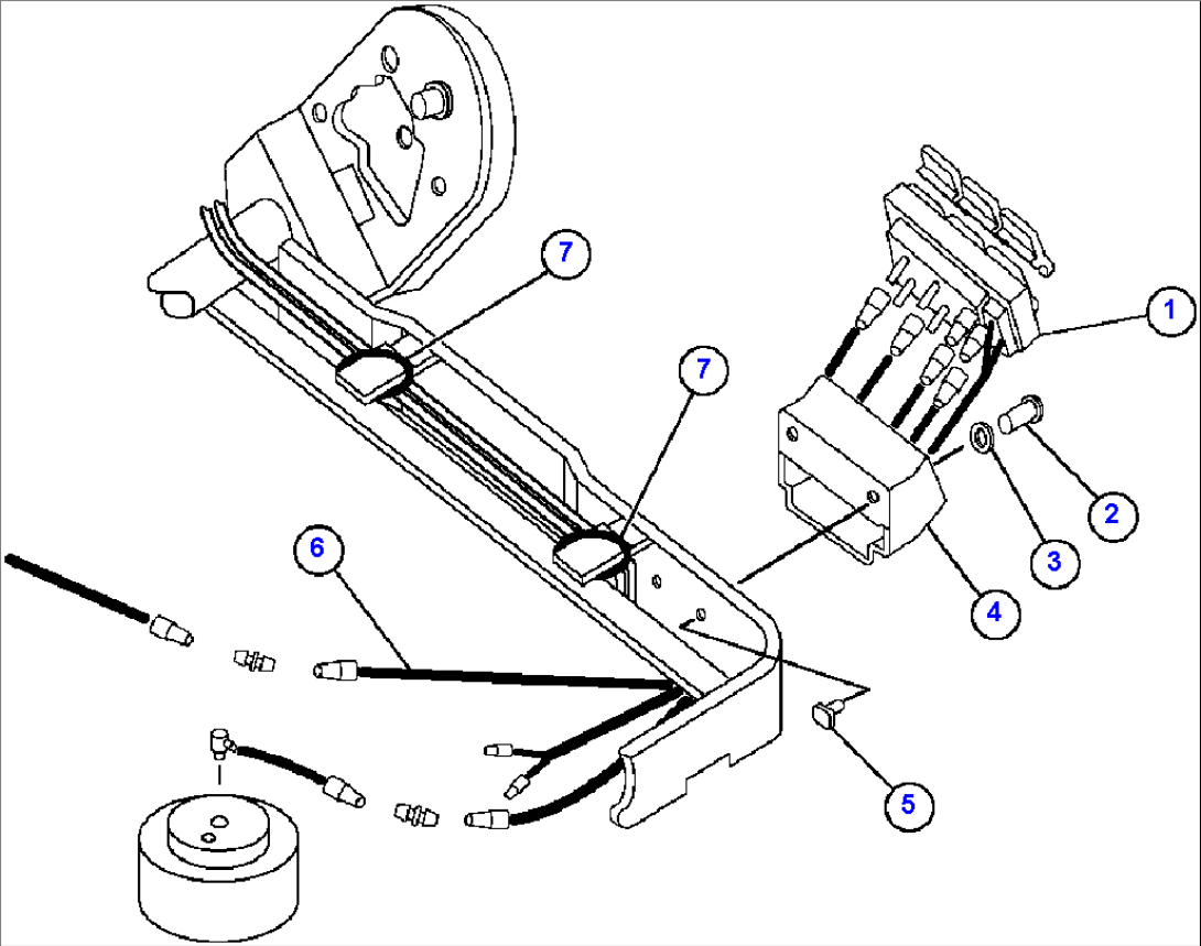
| 0 | VE8861 | SEAT FRAME ASSEMBLY | ||
| 0 | VE9079 | KIT, ELECTRIC CONTROL VALVE | ||
| 1 | VALVE, CONTROL (1) | |||
| 2 | SCREW, PHILLIPS HEAD - M4 X 1 (1) | |||
| 3 | WASHER, FLAT - M4 (1) | |||
| 4 | HOUSING, VALVE (1) | |||
| 5 | NUT, TEE - M4 (1) | |||
| 6 | HOSE - 290MM (1) | |||
| 7 | STRAP, TIE (1) | |||
| NS|10 | NOTE: NS = NOT SHOWN | |||
| NS|11 | FITTING, HOSE (1) | |||
| NS|12 | BF0588 | HOSE, PLASTIC | ||
| NS|13 | NOTE: (1) NOT SERVICED SEPARATELY. | |||
| NS|14 | (SEE PRECEDING & FOLLOWING PAGES FOR BALANCE OF PARTS.) |
