
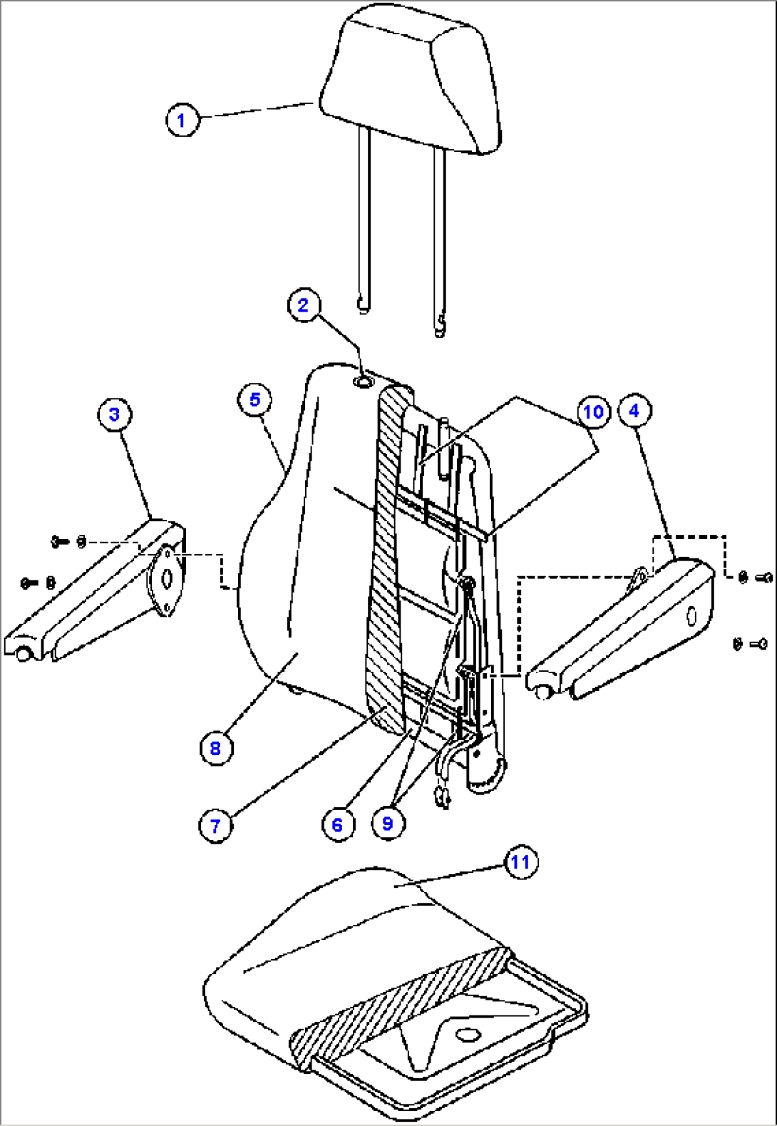
| Item | Part No. | Part Name | Qty | Serial No. |
| 1 | VE2962 | HEADREST | ||
| 2 | VE8737 | FERREL (1) | ||
| 3 | VE8728 | KIT, ARMREST - R.H. (2) | ||
| 3 | VE4592 | ARMREST - R.H. | ||
| 3 | KIT, HARDWARE (3) | |||
| 4 | VE8727 | KIT, ARMREST - L.H. (2) | ||
| 4 | VE4591 | ARMREST - L.H. | ||
| 4 | KIT, HARDWARE (3) | |||
| 5 | VE8365 | BACKREST ASSEMBLY | ||
| 6 | VE4566 | FRAME | ||
| 7 | VE4567 | FOAM | ||
| 8 | VE4568 | COVER | ||
| 9 | VE8735 | KIT, AIR LUMBAR | ||
| 9 | BAG, AIR LUMBAR (3) | |||
| 9 | KIT, PLASTIC PARTS (1) | |||
| 10 | LA0335 | KIT, HARDWARE | ||
| 11 | XA2236 | SEAT PAN ASSEMBLY | ||
| 11 | LA0338 | KIT, HARDWARE | ||
| NS|19 | NOTE: (1) INCLUDED IN VE8365 BACKREST ASSEMBLY. | |||
| NS|20 | (2) INCLUDED IN VE4557 ARMREST SET. | |||
| NS|21 | (3) NOT SERVICED SEPARATELY. |
