
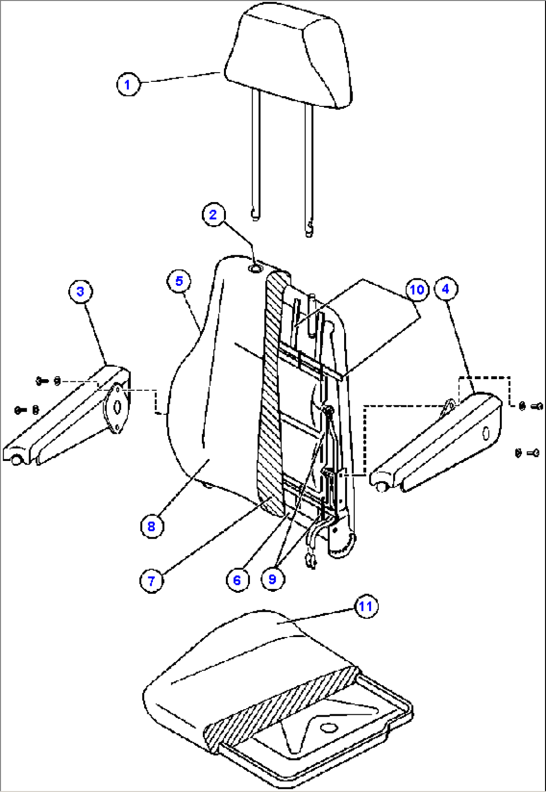
Item | Part No. | Part Name | Qty | Serial No. |
1 | VE2962 | HEADREST | ||
2 | VE8737 | FERRULE (1) | ||
3 | VE8728 | KIT, ARMREST - R.H. (2) | ||
3 | VE4592 | ARMREST - R.H. | ||
3 | KIT, HARDWARE (3) | |||
4 | VE8727 | KIT, ARMREST - L.H. (2) | ||
4 | VE4591 | ARMREST - L.H. | ||
4 | KIT, HARDWARE (3) | |||
5 | VE8365 | BACKREST ASSEMBLY | ||
6 | VE4566 | FRAME, BACKREST | ||
7 | VE4567 | FOAM | ||
8 | VE4568 | COVER | ||
9 | VE8735 | KIT, AIR LUMBAR | ||
9 | BAG, AIR LUMBAR (3) | |||
9 | KIT, PLASTIC PARTS (1) | |||
10 | LA0335 | KIT, HARDWARE | ||
11 | XA2236 | SEAT PAN ASSEMBLY | ||
11 | LA0338 | KIT, HARDWARE | ||
NS|19 | NOTE: (1) INCLUDED IN VE8365 BACKREST ASSEMBLY. | |||
NS|20 | (2) INCLUDED IN VE4557 ARMREST SET. | |||
NS|21 | (3) NOT SERVICED SEPARATELY. |