
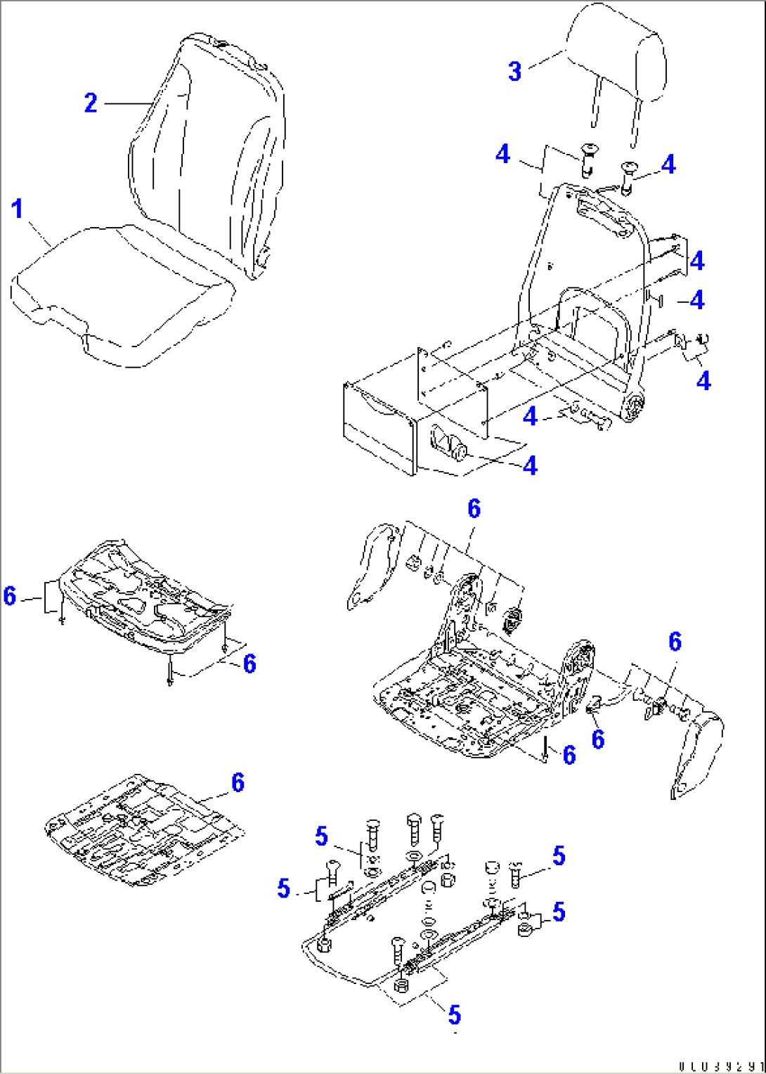
| Item | Part No. | Part Name | Qty | Serial No. |
| 134-57-71201 | SEAT ASS'Y | 67846- | ||
| 1 | GJ140907 | SEAT,FABRIC | 67846- | |
| 2 | GJ2048193 | BACK REST,CUSHION | 67846- | |
| 3 | GJ140912 | REST | 67846- | |
| 4 | GJ2048660 | BACK REST,FRAME | 67846- | |
| 5 | GJ2048661 | SLIDE RAIL | 67846- | |
| 6 | GJ2048662 | SEAT | 67846- |

| Item | Part No. | Part Name | Qty | Serial No. |
| 134-57-71201 | SEAT ASS'Y | 67846- | ||
| 1 | GJ140907 | SEAT,FABRIC | 67846- | |
| 2 | GJ2048193 | BACK REST,CUSHION | 67846- | |
| 3 | GJ140912 | REST | 67846- | |
| 4 | GJ2048660 | BACK REST,FRAME | 67846- | |
| 5 | GJ2048661 | SLIDE RAIL | 67846- | |
| 6 | GJ2048662 | SEAT | 67846- |