
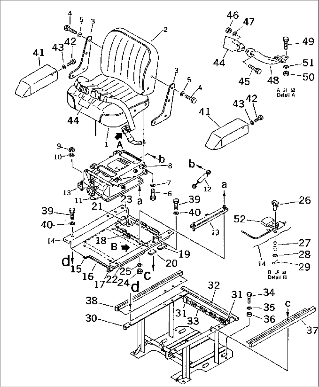
| Item | Part No. | Part Name | Qty | Serial No. |
| 1 | 113-57-42420 | CUSHION,SEAT | 41001-41054 | |
| 2 | 103-57-31420 | CUSHION,BACK | 41001-41054 | |
| 3 | 120-57-31461 | PLATE | 41001-41054 | |
| 4 | 01010-81020 | BOLT | 41001-41054 | |
| 5 | 01602-21030 | WASHER,SPRING | 41001-41054 | |
| 6 | 01010-81020 | BOLT | 41001-41054 | |
| 7 | 01602-21030 | WASHER,SPRING | 41001-41054 | |
| 8 | 113-57-42100 | SUSPENSION ASS'Y | 41001-41054 | |
| 9 | 01580-11210 | NUT | 41001-41054 | |
| 10 | 01602-21236 | WASHER,SPRING | 41001-41054 | |
| 11 | 09304-00835 | KNOB | 41001-41054 | |
| 12 | 120-57-31411 | DAMPER,OIL | 41001-41054 | |
| 13 | 155-57-12150 | ADJUSTER | 41001-41054 | |
| 14 | 113-57-49252 | PLATE | 41001-@ | |
| 15 | 113-C62-1280 | SEAL | 41001-@ | |
| 16 | 113-C62-1290 | SEAL | 41001-@ | |
| 17 | 113-C62-1310 | SEAL | 41001-@ | |
| 18 | 113-C62-1320 | SEAL | 41001-@ | |
| 19 | 113-C62-1330 | SEAL | 41001-@ | |
| 20 | 113-C62-1340 | SEAL | 41001-@ | |
| 21 | 113-C62-1350 | SEAL | 41001-@ | |
| 22 | 113-C62-2551 | SHEET | 41001-@ | |
| 23 | 113-C62-2561 | SHEET | 41001-@ | |
| 24 | 01580-11210 | NUT | 41001-@ | |
| 25 | 01643-31232 | WASHER | 41001-@ | |
| 26 | 09459-11033 | LOCK | 41001-@ | |
| 27 | 09459-01614 | SPRING | 41001-@ | |
| 28 | 01642-01016 | WASHER | 41001-@ | |
| 29 | 04050-13015 | PIN,COTTER | 41001-@ | |
| 30 | 114-57-49141 | FRAME | 41001-@ | |
| 31 | 114-X11-2460 | SEAL | 41001-@ | |
| 32 | 114-X11-2450 | SEAL | 41001-@ | |
| 33 | 144-Y11-3730 | SEAL | 41001-@ | |
| 34 | 01010-81460 | BOLT | 41001-@ | |
| 35 | 01643-31445 | WASHER | 41001-@ | |
| 36 | 198-21-12240 | BOSS | 41001-@ | |
| 37 | 11G-57-41141 | COVER,L.H. | 41001-41054 | |
| 38 | 11G-57-41131 | COVER,R.H. | 41001-41054 | |
| 39 | 01010-81025 | BOLT | 41001-@ | |
| 40 | 01643-31032 | WASHER | 41001-@ | |
| 41 | 114-57-41140 | REST,ARM | 41001-@ | |
| 42 | 01010-81020 | BOLT | 41001-@ | |
| 43 | 01643-31032 | WASHER | 41001-@ | |
| 44 | 09409-10001 | BELT, LAP | 41001-@ | |
| 45 | \6\ | BOLT | 41001-@ | |
| 46 | \6\ | NUT | 41001-@ | |
| 47 | \6\ | WASHER,SPRING | 41001-@ | |
| 48 | 09409-20000 | BELT, TETHER | 41001-@ | |
| 49 | \6\ | BOLT | 41001-@ | |
| 50 | \6\ | NUT | 41001-@ | |
| 51 | \6\ | WASHER,SPRING | 41001-@ | |
| 52 | 09460-00000 | LOCK | 41001-@ |
