
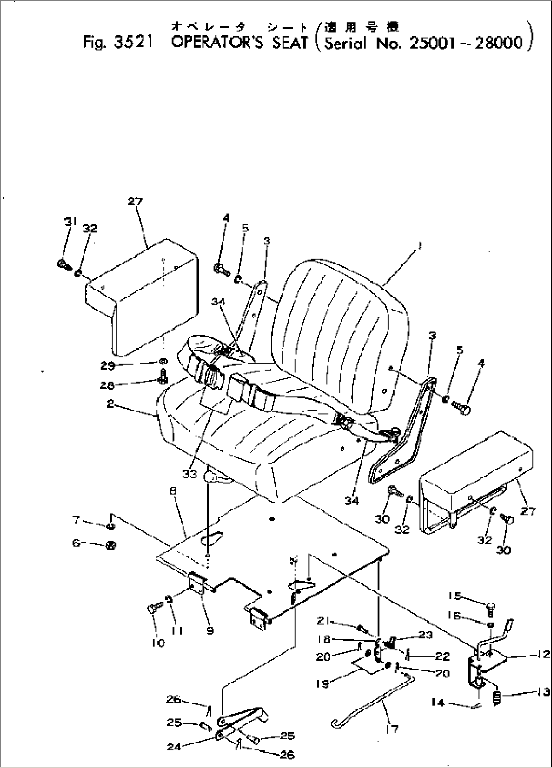
| Item | Part No. | Part Name | Qty | Serial No. |
| 113-57-21100 | SEAT ASS'Y | 25001-28000 | ||
| 1 | 135-57-31160 | CUSHION | 25001-28000 | |
| 2 | 09403-00010 | CUSHION | 25001-@ | |
| 3 | 09403-00070 | PLATE,L.H. | 25001-@ | |
| 3 | 09403-00080 | PLATE,R.H. | 25001-@ | |
| 4 | 01010-31020 | BOLT | 25001-@ | |
| 5 | 01602-01030 | WASHER | 25001-@ | |
| 6 | 01580-01210 | NUT | 25001-@ | |
| 7 | 01602-01236 | WASHER | 25001-@ | |
| 8 | 113-57-21111 | PLATE | 25003-28000 | |
| 8 | 113-57-21110 | PLATE | 25001-25002 | |
| 9 | 131-57-42230 | PLATE | 25001-28000 | |
| 10 | 01010-31225 | BOLT | 25001-28000 | |
| 11 | 01602-01236 | WASHER | 25001-28000 | |
| 12 | 113-57-21180 | LEVER | 25001-28000 | |
| 13 | 113-57-21160 | SPRING | 25001-28000 | |
| 14 | 04025-00316 | PIN | 25001-28000 | |
| 15 | 01010-31025 | BOLT | 25001-28000 | |
| 16 | 01602-01030 | WASHER | 25001-28000 | |
| 17 | 113-57-21140 | ROD | 25001-28000 | |
| 18 | 113-57-21150 | PLATE | 25001-28000 | |
| 19 | 01641-20812 | WASHER | 25001-28000 | |
| 20 | 04050-02012 | PIN | 25001-28000 | |
| 21 | 04205-11032 | PIN | 25001-28000 | |
| 22 | 04050-03015 | PIN | 25001-28000 | |
| 23 | 135-57-12230 | SPRING | 25001-28000 | |
| 24 | 113-57-21170 | LINK | 25001-28000 | |
| 25 | 04205-10025 | PIN | 25001-28000 | |
| 26 | 04050-01038 | PIN | 25001-28000 | |
| 27 | 113-57-21120 | REST,ARM, L.H. | 25001-28000 | |
| 27 | 113-57-21130 | REST,ARM, R.H. | 25001-28000 | |
| 28 | 01010-30625 | BOLT | 25001-28000 | |
| 29 | 01602-00619 | WASHER | 25001-28000 | |
| 30 | 01010-31025 | BOLT | 25001-28000 | |
| 31 | 01010-31035 | BOLT | 25001-28000 | |
| 32 | 01602-01030 | WASHER | 25001-28000 | |
| 33 | 09409-10000 | BELT,LAP | 25001-@ | |
| 33 | 195-57-13750 | BELT,LAP (EXCEPT JAPAN) | 25001-28000 | |
| 34 | 09409-30000 | BELT,THTHER | 25001-28000 | |
| 34 | 09409-50000 | BELT,TETHER (EXCEPT JAPAN) | .-28000 | |
| 34 | \0\135-57-32410 | BELT,TETHER (EXCEPT JAPAN) | 25001-. |
