
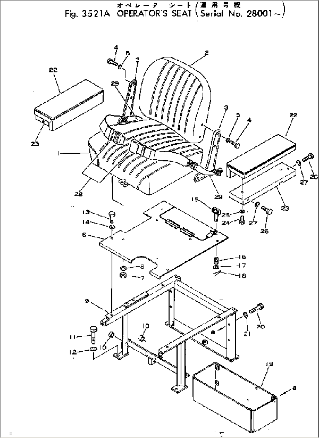
| Item | Part No. | Part Name | Qty | Serial No. |
| 09403-10000 | SEAT ASS'Y | 25001- | ||
| (\2\09403-00000) | SEAT ASS'Y | (25001-28799) | ||
| 1 | 09403-00010 | CUSHION,SEAT | 25001- | |
| 2 | 09403-00040 | CUSHION,BACK | 25001- | |
| 3 | 09403-00090 | PLATE,L.H. | 25001- | |
| (\2\09403-00070) | PLATE,L.H. | (25001-28799) | ||
| 09403-00090 | PLATE,R.H. | 25001- | ||
| (\2\09403-00080) | PLATE,R.H. | (25001-28799) | ||
| 4 | 01010-31020 | BOLT | 25001- | |
| 5 | 01602-01030 | WASHER | 25001- | |
| 6 | 113-57-21113 | PLATE | 28001- | |
| 7 | 01580-01210 | NUT | 25001- | |
| 8 | 01602-01236 | WASHER | 25001- | |
| 113-57-00011 | FRAME ASS'Y | 29102- | ||
| \0\113-57-00010 | FRAME ASS'Y | 28001-29101 | ||
| 9 | \6\ | FRAME | 29102- | |
| \6\ | FRAME | 28001-29101 | ||
| 10 | 09350-02020 | BUSHING | 28001- | |
| 11 | 01010-31430 | BOLT | 28001- | |
| 12 | 01602-01442 | WASHER | 28001- | |
| 13 | 01010-31025 | BOLT | 28001- | |
| 14 | 01602-01030 | WASHER | 28001- | |
| 103-57-00020 | LOCK ASS'Y | 28001- | ||
| 15 | 101-57-31210 | LOCK | 28001- | |
| 16 | 09459-01614 | SPRING | 28001- | |
| 17 | 01642-01016 | WASHER | 28001- | |
| 18 | 04050-03015 | PIN | 28001- | |
| 19 | 113-57-21321 | BOX | 28001- | |
| 20 | 01010-31025 | BOLT | 28001- | |
| 21 | 01602-01030 | WASHER | 28001- | |
| 22 | 12F-57-11250 | REST | 28001- | |
| 23 | 113-57-21350 | BRACKET | 28001- | |
| 24 | 01010-30816 | BOLT | 28001- | |
| 25 | 01602-00825 | WASHER | 28001- | |
| 26 | 01010-31025 | BOLT | 28001- | |
| 27 | 01602-01030 | WASHER | 28001- | |
| 28 | 09409-10000 | BELT,LAP | 25001- | |
| 29 | 09409-20000 | BELT¤ TETHER | 28001- |
