
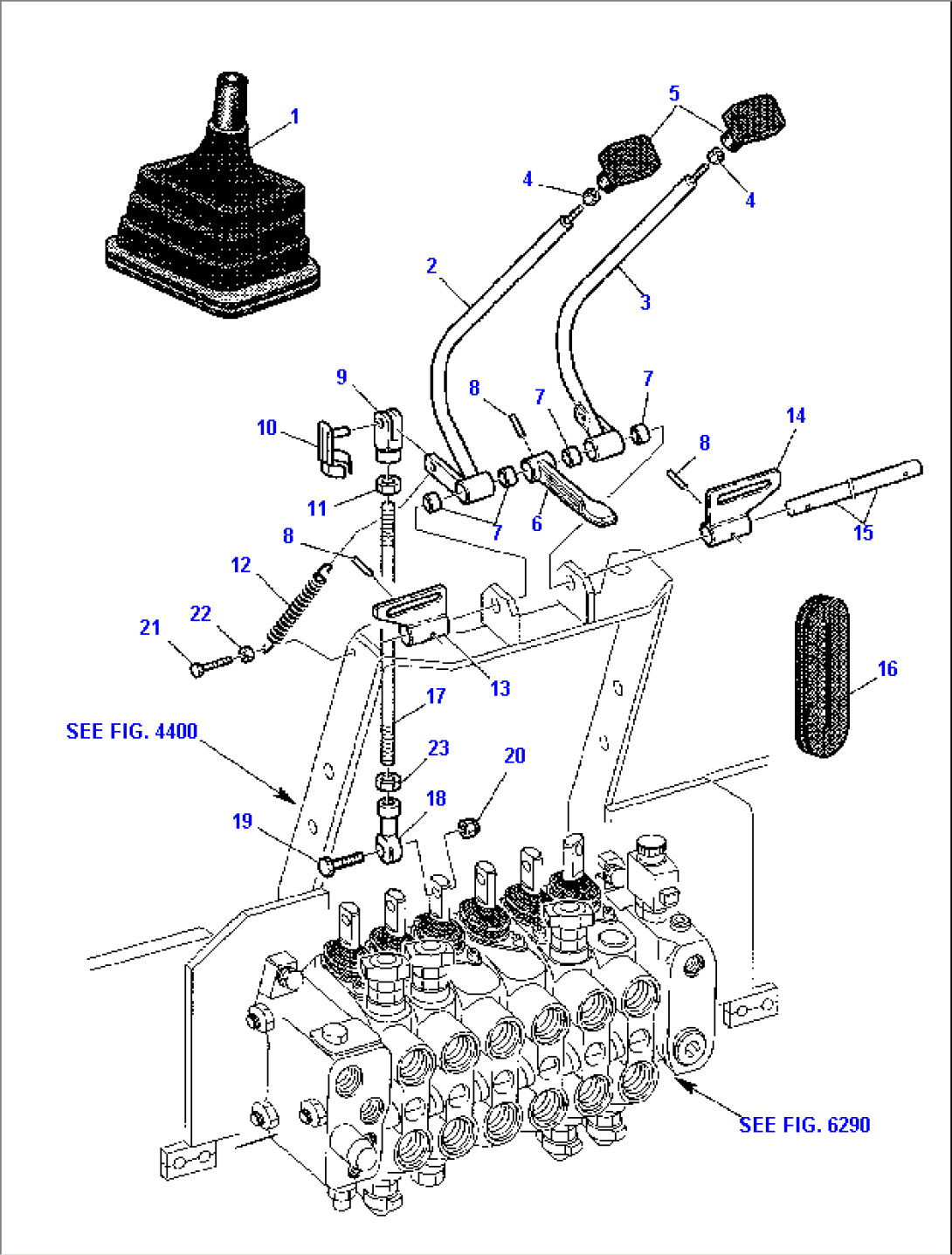
| Item | Part No. | Part Name | Qty | Serial No. |
| 1 | 311305748 | BOOT | 140F50098- | |
| 2 | 312713051 | LEVER, R.H. | 140F50098- | |
| 3 | 312713052 | LEVER, L.H. | 140F50098- | |
| 4 | 801920104 | NUT | 140F50098- | |
| 5 | 816212265 | KNOB | 140F50098- | |
| 6 | 312713629 | LEVER | 140F50098- | |
| 7 | 805630015 | BUSHING | 140F50098- | |
| 8 | 802510167 | SPLIT PIN | 140F50098- | |
| 9 | 802720020 | FORK | 140F50098- | |
| 10 | 802725020 | PIN | 140F50098- | |
| 11 | 801920105 | NUT | 140F50098- | |
| 12 | 804020008 | SPRING | 140F50098- | |
| 13 | 312313057 | CLAMPING PLATE, R.H. | 140F50098- | |
| 14 | 312313058 | CLAMPING PLATE, L.H. | 140F50098- | |
| 15 | 312713604 | PIN | 140F50098- | |
| 16 | 816210419 | BOOT | 140F50098- | |
| 17 | 312713624 | LINK | 140F50098- | |
| 18 | 805850211 | JOINT (LEFT) | 140F50098- | |
| 19 | 801015557 | BOLT | 140F50098- | |
| 20 | 801880001 | SELF-LOCKING NUT | 140F50098- | |
| 21 | 801015068 | BOLT | 140F50098- | |
| 22 | 801920103 | NUT | 140F50098- | |
| 23 | 500611661 | NUT (L.H.) | 140F50098- | |
| SEE FIG. 4400 | ||||
| SEE FIG. 6290 |
