
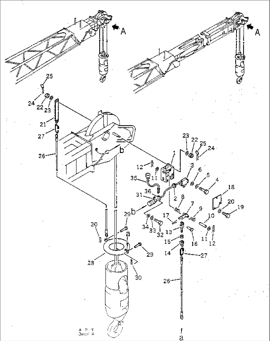
| Item | Part No. | Part Name | Qty | Serial No. |
| 22X-07-12300 | SWITCH ASS'Y | 1001- | ||
| 1 | 22W-07-14211 | BRACKET | 1001- | |
| 2 | 08037-01008 | GROMMET | 1001- | |
| 3 | 22W-06-15860 | SWITCH | 1001- | |
| 4 | 01010-51035 | BOLT | 1001- | |
| 5 | 01602-21030 | WASHER | 1001- | |
| 6 | 01643-31032 | WASHER | 1001- | |
| 7 | 22W-07-14230 | LEVER | 1001- | |
| 8 | 22W-07-14260 | SPRING | 1001- | |
| 9 | 22W-07-14270 | SPRING | 1001- | |
| 10 | 22W-07-14240 | PIN | 1001- | |
| 11 | 01641-20812 | WASHER | 1001- | |
| 12 | 04052-00833 | PIN | 1001- | |
| 13 | 04244-40805 | ROD | 1001- | |
| 14 | 22X-07-12251 | HOOK | 1001- | |
| 15 | 01580-10806 | NUT | 1001- | |
| 16 | 04205-10822 | PIN | 1001- | |
| 17 | 04050-12012 | PIN | 1001- | |
| 18 | 22W-07-14220 | COVER | 1001- | |
| 19 | 01010-50610 | BOLT | 1001- | |
| 20 | 01602-20619 | WASHER | 1001- | |
| 21 | 22X-07-12241 | YOKE | 1001- | |
| 22 | 01590-11012 | NUT | 1001- | |
| 23 | 01643-31032 | WASHER | 1001- | |
| 24 | 04052-01453 | PIN | 1001- | |
| 25 | 22X-70-14730 | RING | 1001- | |
| 26 | 23S-07-11111 | ROPE | 1001- | |
| 27 | 23S-07-11160 | CATCHER | 1001- | |
| 28 | 23S-07-11130 | WEIGHT | 1001- | |
| 29 | 04205-10628 | PIN | 1001- | |
| 30 | 04052-00633 | PIN | 1001- | |
| 31 | 08036-01814 | CLIP | 1001- | |
| 32 | 01010-51016 | BOLT | 1001- | |
| 33 | 01602-21030 | WASHER | 1001- | |
| 34 | 01643-31032 | WASHER | 1001- | |
| 35 | 23S-07-11230 | WIRE ASS'Y | 1001- | |
| 36 | 08034-00310 | BAND | 1001- |
