
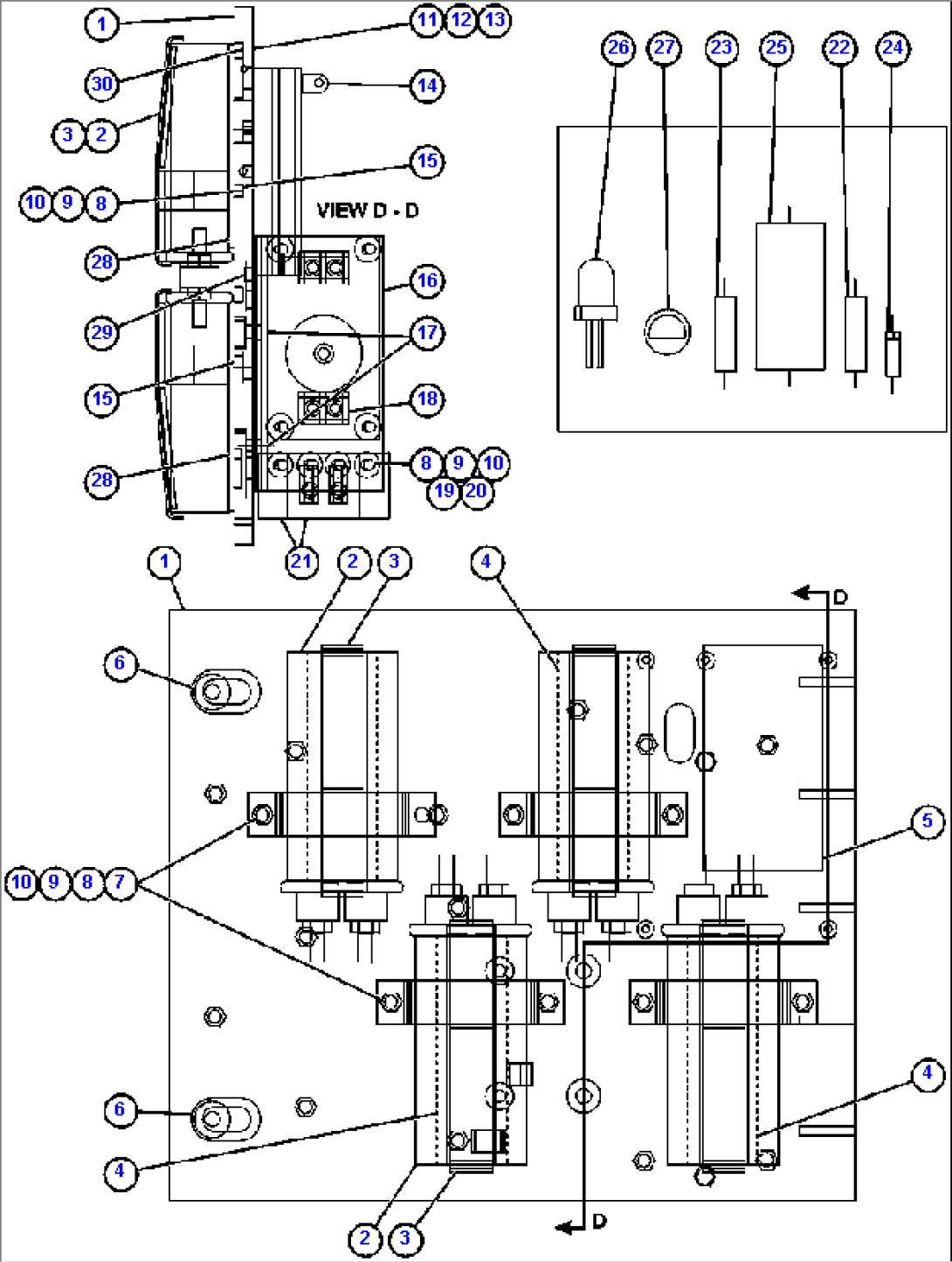
| Item | Part No. | Part Name | Qty | Serial No. |
| 1 | GE1216 | BASE | ||
| 2 | VE3847 | CONDENSER | ||
| 3 | VE5967 | CLAMP | ||
| 3 | VE5968 | GASKET | ||
| 3 | VE3035 | CEMENT | ||
| 4 | GE1221 | GASKET | ||
| 5 | DECAL (1) | |||
| 6 | VS7484 | WASHER, RETAINING | ||
| 7 | VJ6586 | CAPSCREW - #10 - 32NF X 3/4" | ||
| 8 | VS6662 | FLAT WASHER - #10 | ||
| 9 | VE4601 | LOCKWASHER - #10 | ||
| 10 | SF2755 | NUT - #10 | ||
| 11 | HE5125 | FLAT WASHER - #6 | ||
| 12 | DF4944 | LOCKWASHER - #6 | ||
| 13 | VE5959 | NUT | ||
| 14 | VS6823 | RESISTOR | ||
| 15 | VJ6586 | CAPSCREW - #10 - 32NF X 3/4" | ||
| 16 | GE1219 | BRACKET | ||
| 17 | VE4610 | SCREW - #10 - 32NF X 5/8" | ||
| 18 | GE1217 | MODULE | ||
| 19 | VE4597 | WASHER - 1/2" | ||
| 20 | VE5974 | SCREW - #10 - 32NF X 1 1/8" | ||
| 21 | VS6820 | MODULE | ||
| 22 | VS6990 | RESISTOR | ||
| 23 | VS6996 | RESISTOR | ||
| 24 | VS2616 | DIODE | ||
| 25 | VS7210 | CAPACITOR | ||
| 26 | VS7214 | DIODE | ||
| 27 | GE1220 | TRANSIPAD | ||
| 28 | GE1221 | GASKET | ||
| 29 | VP9597 | SCREW - #6 - 40NF X 5/8" | ||
| 30 | VE5976 | SCREW - #6 - 40NF X 7/8" | ||
| NS|33 | NOTE: (1) NOT SERVICED SEPARATELY. |
