
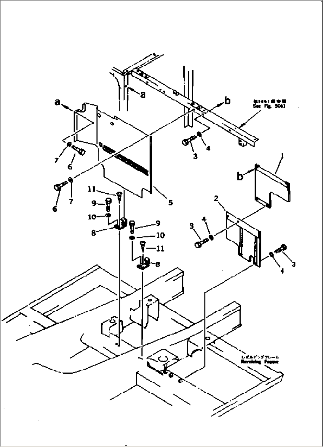
| Item | Part No. | Part Name | Qty | Serial No. |
| 1 | 20Y-54-17550 | COVER | 35001-36613 | |
| 2 | 20Y-54-17540 | COVER | 35001-36613 | |
| 3 | 01010-51230 | BOLT | 35001-36613 | |
| 4 | 20Y-54-12670 | WASHER | 35001-36613 | |
| 5 | 20Y-54-17560 | COVER | 35001-@ | |
| 6 | 01010-51230 | BOLT | 35001-@ | |
| 7 | 20Y-54-12670 | WASHER | 35001-@ | |
| 8 | 20Y-54-12320 | CATCH | 35001-@ | |
| 9 | 01010-51230 | BOLT | 35001-@ | |
| 10 | 01643-31232 | WASHER | 35001-@ | |
| 11 | 01370-00512 | SCREW | 35001-@ |
