
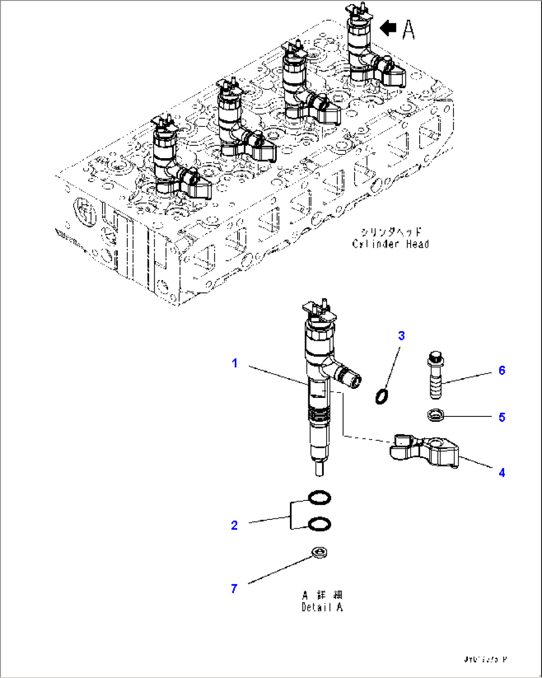
| Item | Part No. | Part Name | Qty | Serial No. |
| 1 | 6275-11-3100 | Injector Assembly | 701721- | |
| 2 | 6275-11-3891 | O-ring | 701721- | |
| 3 | 6219-71-1160 | O-ring | 701721- | |
| 4 | 6275-11-3810 | Holder | 701721- | |
| 5 | 6217-71-1140 | Washer | 701721- | |
| 6 | 6275-11-3820 | Bolt | 701721- | |
| 7 | 6275-11-3880 | Gasket | 701721- |
