
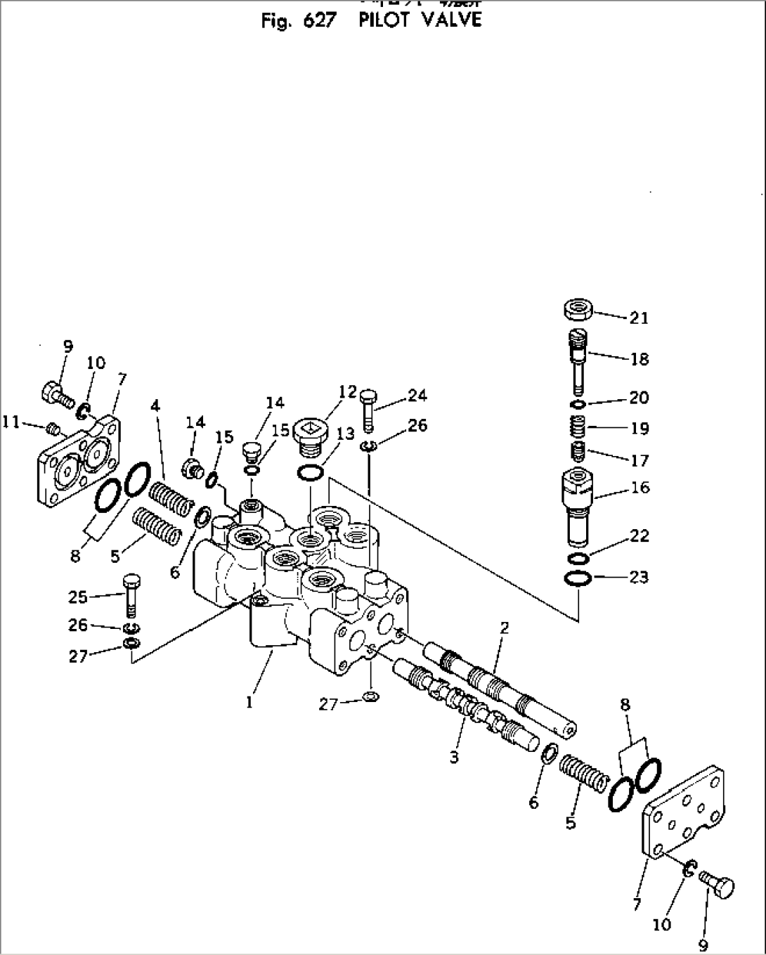
| Item | Part No. | Part Name | Qty | Serial No. |
| 702-15-21000 | VALVE ASS'Y,PILOT | 10001- | ||
| 1 | \6\ | BODY | 10001- | |
| 2 | \6\ | SPOOL | 10001- | |
| 3 | \6\ | SPOOL | 10001- | |
| 4 | 702-15-21140 | SPRING | 10001- | |
| 5 | 702-15-21150 | SPRING | 10001- | |
| 6 | 702-15-21160 | WASHER | 10001- | |
| 7 | 702-15-21170 | PLATE | 10001- | |
| 8 | 07000-13030 | O-RING | 10001- | |
| 9 | 01010-31030 | BOLT | 10001- | |
| 10 | 01602-01030 | WASHER,SPRING | 10001- | |
| 11 | 706-73-40340 | PLUG | 10001- | |
| 12 | 07040-12414 | PLUG | 10001- | |
| 13 | 07002-02434 | O-RING | 10001- | |
| 14 | 07040-11007 | PLUG | 10001- | |
| 15 | 07002-01023 | O-RING | 10001- | |
| 700-22-51000 | VALVE ASS'Y,RELIEF | 10001- | ||
| 16 | \6\ | SLEEVE | 10001- | |
| 17 | \6\ | POPPET | 10001- | |
| 18 | \6\ | PISTON | 10001- | |
| 19 | \6\ | SPRING | 10001- | |
| 20 | \6\ | O-RING | 10001- | |
| 21 | \6\ | NUT | 10001- | |
| 22 | 07000-12014 | O-RING | 10001- | |
| 23 | 07002-02434 | O-RING | 10001- | |
| 24 | 01010-30850 | BOLT | 10001- | |
| 25 | 01010-30865 | BOLT | 10001- | |
| 26 | 01602-00825 | WASHER,SPRING | 10001- | |
| 27 | 01643-30823 | WASHER | 10001- |
