
| Item | Part No. | Part Name | Qty | Serial No. |
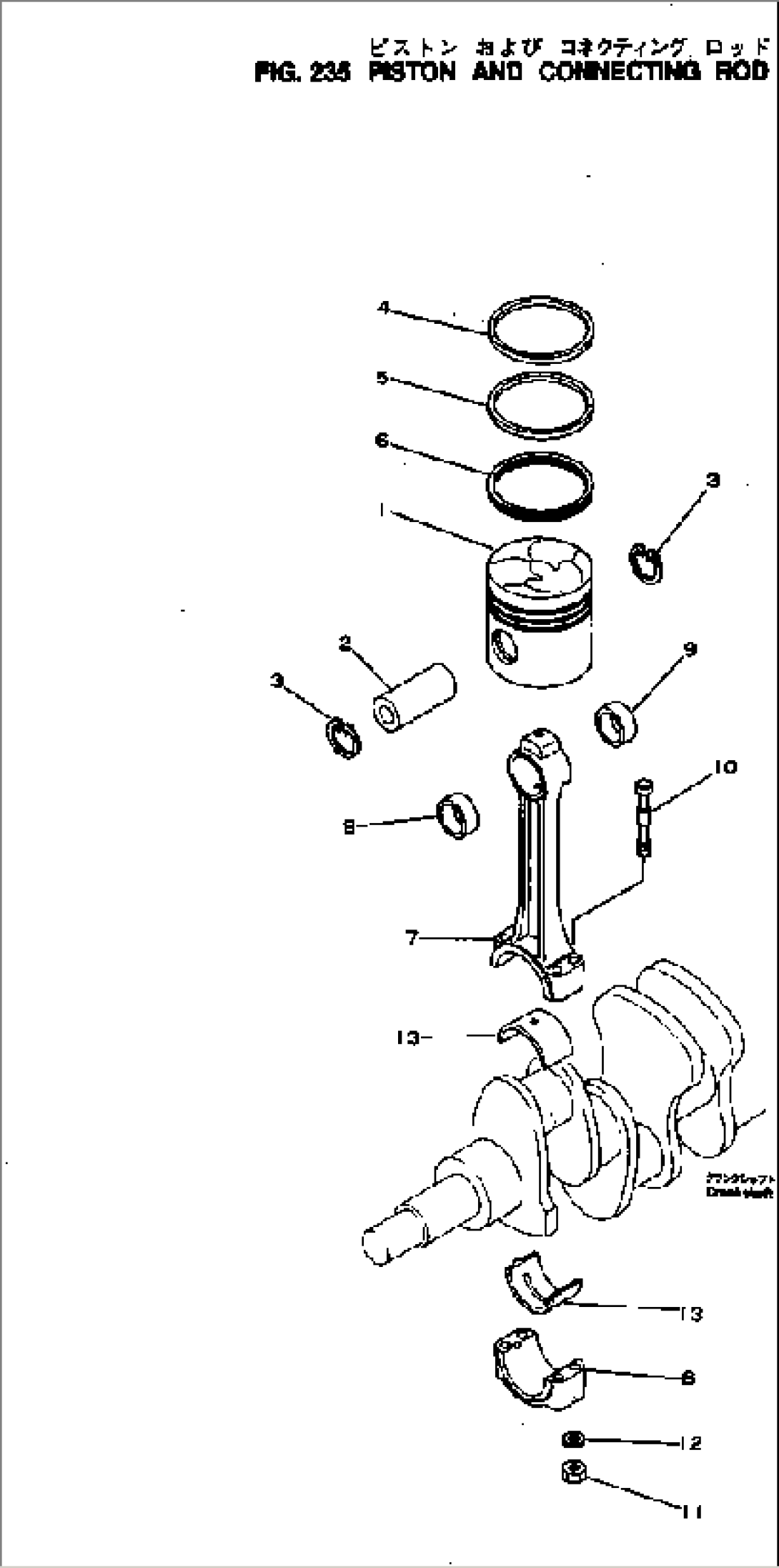
| 1 | 6114-31-2111 | PISTON | 10777- | |
| \0\6114-31-2110 | PISTON | 10554-10776 | ||
| 2 | 6114-31-2410 | PIN | 10554- | |
| 3 | 6110-31-2120 | RING | 10554- | |
| 6114-30-2303 | PISTON RING A. | 10875- | ||
| \0\6114-30-2302 | PISTON RING A.,(4D130-1D) | 10806-10874 | ||
| \0\6114-30-2301 | PISTON RING A. | 10554-10805 | ||
| (\2\6114-30-2300) | PISTON RING A. | (10554-10776) | ||
| 6114-30-2403 | PISTON RING A. | 10875- | ||
| \0\6114-30-2402 | PISTON RING A.,(4D130-1D) | 10806-10874 | ||
| \0\6114-30-2401 | PISTON RING A. | 10777-10805 | ||
| \0\6114-30-2400 | PISTON RING A. | 10554-10776 | ||
| 4 | 6114-31-2313 | RING | 10875- | |
| \6\ | RING,(4D130-1D) | 10806-10874 | ||
| \6\ | RING | 10777-10805 | ||
| \6\ | RING | 10554-10776 | ||
| 5 | \6\ | RING | 10554- | |
| 6 | \6\ | RING | 10806- | |
| \6\ | RING | 10777-10805 | ||
| \6\ | RING | 10554-10776 | ||
| 6115-31-3100 | CONNECTING ROD A. | 10554- | ||
| 7 | \6\ | ROD | 10554- | |
| 8 | \6\ | CAP | 10554- | |
| 9 | 6110-33-3120 | BUSHING | 10554- | |
| 10 | 6110-31-3315 | BOLT | 10554- | |
| 11 | 6110-31-3322 | NUT | 10554- | |
| 12 | 6114-31-3330 | WASHER | 10554- | |
| STANDARD | ||||
| 13 | 6114-30-3500 | CRANK PIN METAL A. | 10554- | |
| \6\ | METAL | 10554- | ||
| UNDERSIZE 0.25MM | ||||
| 13 | 6114-39-3500 | CRANK PIN METAL A. | 10554- | |
| \6\ | METAL | 10554- | ||
| UNDERSIZE 0.50MM | ||||
| 13 | 6114-38-3500 | CRANK PIN METAL A. | 10554- | |
| \6\ | METAL | 10554- | ||
| UNDERSIZE 0.75MM | ||||
| 13 | 6114-37-3500 | CRANK PIN METAL A. | 10554- | |
| \6\ | METAL | 10554- | ||
| UNDERSIZE 1.00MM | ||||
| 13 | 6114-36-3500 | CRANK PIN METAL A. | 10554- | |
| \6\ | METAL | 10554- |
