
| Item | Part No. | Part Name | Qty | Serial No. |
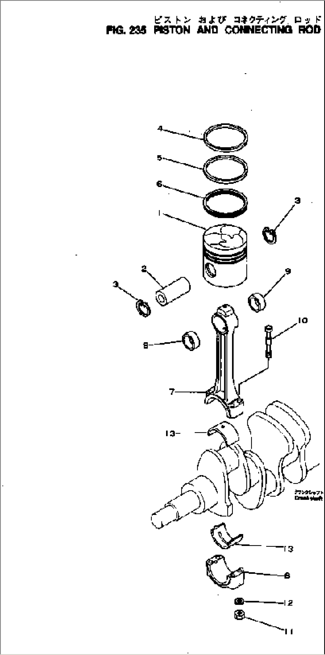
| 1 | 6114-31-2111 | PISTON | 10771- | |
| \0\6114-31-2110 | PISTON | 10584-10770 | ||
| 2 | 6114-31-2410 | PIN | 10584- | |
| 3 | 6110-31-2120 | RING | 10584- | |
| 6114-30-2303 | PISTON RING A. | 10819- | ||
| \0\6114-30-2301 | PISTON RING A. | 10584-10818 | ||
| (\2\6114-30-2300) | PISTON RING A. | (10584-10770) | ||
| 6114-30-2403 | PISTON RING A. | 10819- | ||
| \0\6114-30-2401 | PISTON RING A. | 10771-10818 | ||
| \0\6114-30-2400 | PISTON RING A. | 10584-10770 | ||
| 4 | \6\ | RING | 10819- | |
| \6\ | RING | 10771-10818 | ||
| \6\ | RING | 10584-10770 | ||
| 5 | 6114-31-2320 | RING | 10584- | |
| 6 | \6\ | RING | 10819- | |
| \6\ | RING | 10771-10818 | ||
| \6\ | RING | 10584-10770 | ||
| 6115-31-3100 | CONNECTING ROD A. | 10584- | ||
| 7 | \6\ | ROD | 10584- | |
| 8 | \6\ | CAP | 10584- | |
| 9 | 6110-33-3120 | BUSHING | 10584- | |
| 10 | 6110-31-3315 | BOLT | 10584- | |
| 11 | 6110-31-3322 | NUT | 10584- | |
| 12 | 6114-31-3330 | WASHER | 10584- | |
| STANDARD | ||||
| 13 | 6114-30-3500 | CRANK PIN METAL A. | 10584- | |
| \6\ | METAL | 10584- | ||
| UNDERSIZE 0.25MM | ||||
| 13 | 6114-39-3500 | CRANK PIN METAL A. | 10584- | |
| \6\ | METAL | 10584- | ||
| UNDERSIZE 0.50MM | ||||
| 13 | 6114-38-3500 | CRANK PIN METAL A. | 10584- | |
| \6\ | METAL | 10584- | ||
| UNDERSIZE 0.75MM | ||||
| 13 | 6114-37-3500 | CRANK PIN METAL A. | 10584- | |
| \6\ | METAL | 10584- | ||
| UNDERSIZE 1.00MM | ||||
| 13 | 6114-36-3500 | CRANK PIN METAL A. | 10584- | |
| \6\ | METAL | 10584- |
