
| Item | Part No. | Part Name | Qty | Serial No. |
| (21N-38-00020) | POWER TAKE OFF ASS'Y | 10001-@ | ||
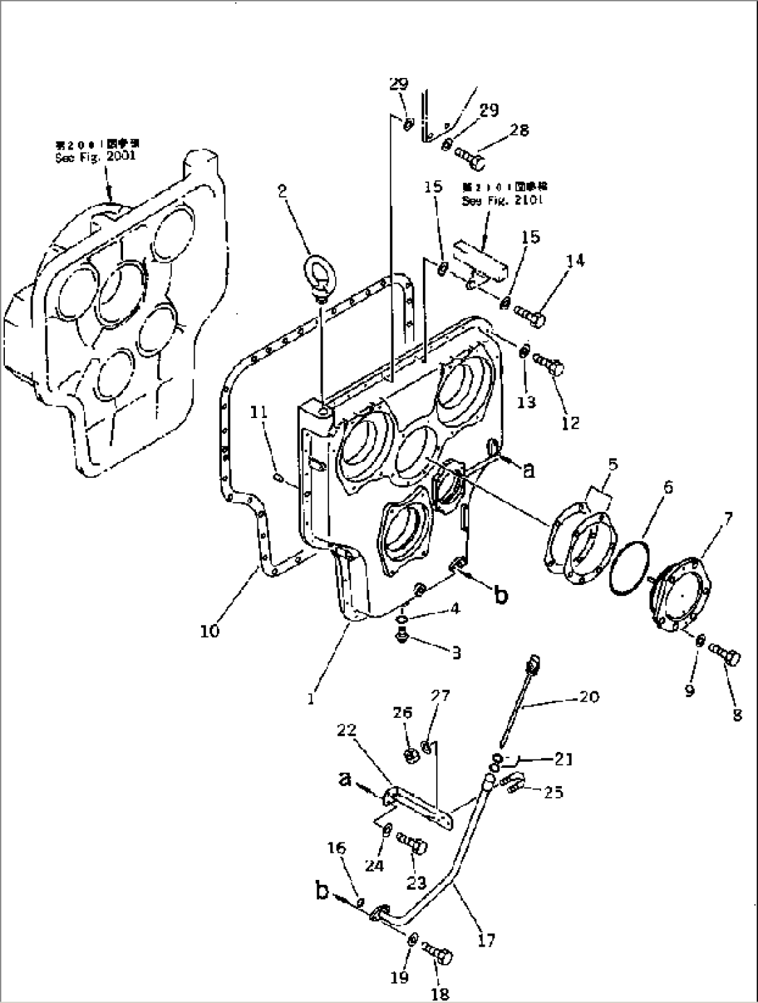
| 1 | 21N-38-11121 | CASE | 10001-@ | |
| 2 | 04530-13655 | BOLT,EYE | 10001-@ | |
| 3 | 07044-12412 | PLUG | 10001-@ | |
| 4 | 07002-32434 | O-RING | 10001-@ | |
| 5 | 21N-38-00010 | SHIM ASS'Y | 10001-@ | |
| 5 | \6\ | SHIM, 0.1MM | 10001-@ | |
| 5 | \6\ | SHIM, 0.2MM | 10001-@ | |
| 5 | \6\ | SHIM, 0.5MM | 10001-@ | |
| 6 | 07000-35200 | O-RING | 10001-@ | |
| 7 | 21N-38-11170 | COVER | 10001-@ | |
| 8 | 01010-51645 | BOLT | 10001-@ | |
| 9 | 01643-31645 | WASHER | 10001-@ | |
| 10 | 21N-38-11280 | GASKET | 10001-@ | |
| 11 | 04020-01638 | PIN,DOWEL | 10001-@ | |
| 12 | 01010-51240 | BOLT | 10001-@ | |
| 13 | 01643-31232 | WASHER | 10001-@ | |
| 14 | 01010-51250 | BOLT | 10001-@ | |
| 15 | 01643-31232 | WASHER | 10001-@ | |
| 16 | 07000-33028 | O-RING | 10001-@ | |
| 17 | 21N-38-11220 | TUBE | 10001-10066 | |
| 18 | 01010-51035 | BOLT | 10001-10066 | |
| 19 | 01643-31032 | WASHER | 10001-@ | |
| 20 | 21N-38-11230 | GAUGE | 10001-10066 | |
| 21 | 07000-33022 | O-RING | 10001-10066 | |
| 22 | 21N-38-11240 | BRACKET | 10001-10066 | |
| 23 | 01010-51025 | BOLT | 10001-10066 | |
| 24 | 01643-31032 | WASHER | 10001-@ | |
| 25 | 07283-22746 | CLIP | 10001-@ | |
| 26 | 01599-01011 | NUT | 10001-@ | |
| 27 | 01643-31032 | WASHER | 10001-@ | |
| 28 | 01010-51260 | BOLT | 10001-@ | |
| 29 | 01643-31232 | WASHER | 10001-@ |
