
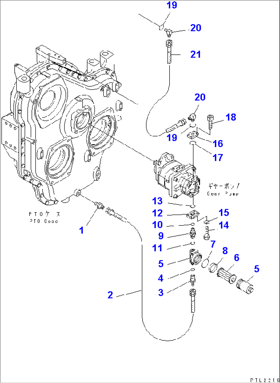
| Item | Part No. | Part Name | Qty | Serial No. |
| 1 | 07238-10522 | CONNECTOR | 30001-@ | |
| 2 | 22X-61-16512 | HOSE | 30175-@ | |
| 3 | 15R-62-18150 | NIPPLE | 30175-@ | |
| 4 | 07002-21823 | O-RING | 30175-@ | |
| 5 | 209-38-12460 | FILTER ASS'Y | 30001-@ | |
| 6 | 209-38-12470 | ELEMENT | 30001-@ | |
| 7 | 209-38-12480 | O-RING | 30001-@ | |
| 8 | 209-38-12490 | RING | 30001-@ | |
| 9 | 21N-38-12320 | CONNECTOR | 30001-@ | |
| 10 | 07002-22034 | O-RING | 30175-@ | |
| 11 | 07002-21823 | O-RING | 30175-@ | |
| 12 | 21N-38-12310 | FLANGE | 30001-@ | |
| 13 | 07000-E3035 | O-RING | 30175-@ | |
| 14 | 01010-81030 | BOLT | 30041-@ | |
| 15 | 01643-31032 | WASHER | 30001-@ | |
| 16 | 21N-62-31920 | FLANGE | 30175-30999 | |
| 17 | 07000-E3030 | O-RING | 30175-@ | |
| 18 | 01252-70835 | BOLT | 30175-@ | |
| 19 | 07002-22034 | O-RING | 30175-30999 | |
| 20 | 07235-10315 | ELBOW | 30175-30999 | |
| 21 | 07102-20307 | HOSE | 30001-@ |
