
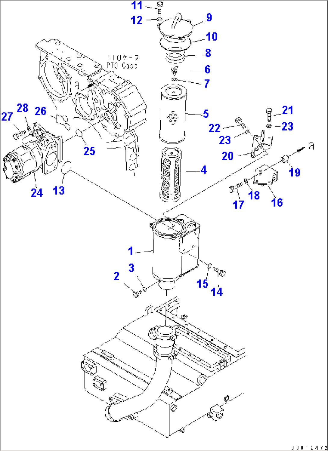
| Item | Part No. | Part Name | Qty | Serial No. |
| (198-22-60002) | POWER TRAIN ASS'Y | 30002- | ||
| \0\198-22-60001 | POWER TRAIN ASS'Y | 30001-30001 | ||
| THESE ASSEMBLIES CONSIST OF ALL PARTS SHOWN IN FIGS.F2300-51A0 TO F2300-64A0. | ||||
| 1 | 198-49-62811 | CASE | 30001- | |
| 2 | 07040-11007 | PLUG | 30001- | |
| 3 | 07002-61023 | O-RING | 30001- | |
| 4 | 198-49-33141 | MAGNET ASS'Y | 30001- | |
| 5 | 198-49-43120 | SCREEN | 30001- | |
| 6 | 195-49-35151 | BOLT | 30001- | |
| 7 | 01643-32060 | WASHER | 30001- | |
| 8 | 21T-60-13650 | SPRING | 30001- | |
| 9 | 198-49-33131 | COVER | 30001- | |
| 10 | 07000-35190 | O-RING | 30001- | |
| 11 | 01010-81235 | BOLT | 30001- | |
| 12 | 01643-31232 | WASHER | 30001- | |
| 13 | 07000-E2100 | O-RING | 30001- | |
| 14 | 01010-61650 | BOLT | 30001- | |
| 15 | 01643-31645 | WASHER | 30001- | |
| 16 | 198-49-62841 | BRACKET | 30001- | |
| 17 | 01010-81265 | BOLT | 30001- | |
| 18 | 01643-31232 | WASHER | 30001- | |
| 19 | 6131-22-3750 | BOSS | 30001- | |
| 20 | 198-49-62830 | BRACKET | 30001- | |
| 21 | 01010-81240 | BOLT | 30001- | |
| 22 | 01010-81235 | BOLT | 30001- | |
| 23 | 175-54-34170 | WASHER | 30001- | |
| 24 | (704-71-44071) | PUMP ASS'Y | 30001- | |
| 25 | 07000-32070 | O-RING | 30001- | |
| 26 | 07000-73040 | O-RING | 30001- | |
| 27 | 01010-81240 | BOLT | 30001- | |
| 28 | 01643-31232 | WASHER | 30001- |
