
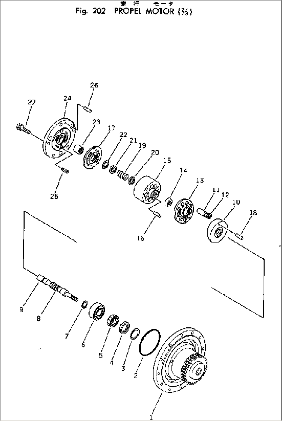
| Item | Part No. | Part Name | Qty | Serial No. |
| 20N-60-31200 | TRAVEL MOTOR ASS'Y | 5501- | ||
| 1 | 20N-60-31380 | BODY | 5501- | |
| 2 | 07000-12090 | O-RING | 5501- | |
| 3 | 20N-60-31480 | RING,SUPPORT | 5501- | |
| 4 | 20N-60-31540 | RING,BACK-UP | 5501- | |
| 5 | 20N-60-31780 | SEAL | 5501- | |
| 6 | 06000-06204 | BEARING | 5501- | |
| 7 | 04064-02012 | RING,SNAP | 5501- | |
| 20N-60-31600 | SHAFT SUB ASS'Y | 5501- | ||
| 8 | \6\ | SHAFT | 5501- | |
| 9 | 20N-60-31790 | RACE,INNER | 5501- | |
| 20N-60-31700 | CYLINDER BARREL A. | 5501- | ||
| 10 | \6\ | PLATE,SWASH | 5501- | |
| 11 | \6\ | PISTON | 5501- | |
| 12 | \6\ | SHOE | 5501- | |
| 13 | \6\ | HOLDER,BARREL | 5501- | |
| 14 | \6\ | HOLDER,CYLINDER | 5501- | |
| 15 | \6\ | BARREL | 5501- | |
| 16 | 20N-60-31520 | PIN | 5501- | |
| 17 | \6\ | PLATE,VALVE | 5501- | |
| 18 | 04022-00816 | PIN | 5501- | |
| 19 | 20N-60-31530 | SPRING | 5501- | |
| 20 | 20N-60-31510 | RETAINER | 5501- | |
| 21 | 20N-60-31490 | COLLAR | 5501- | |
| 22 | 04065-02812 | RING,SNAP | 5501- | |
| 23 | 20N-60-31810 | BEARING,NEEDLE | 5501- | |
| 24 | 20N-60-31370 | BODY | 5501- | |
| 25 | 04025-00516 | PIN,SPRING | 5501- | |
| 26 | 04020-00616 | PIN | 5501- | |
| 27 | 01252-41025 | BOLT | 5501- |
