
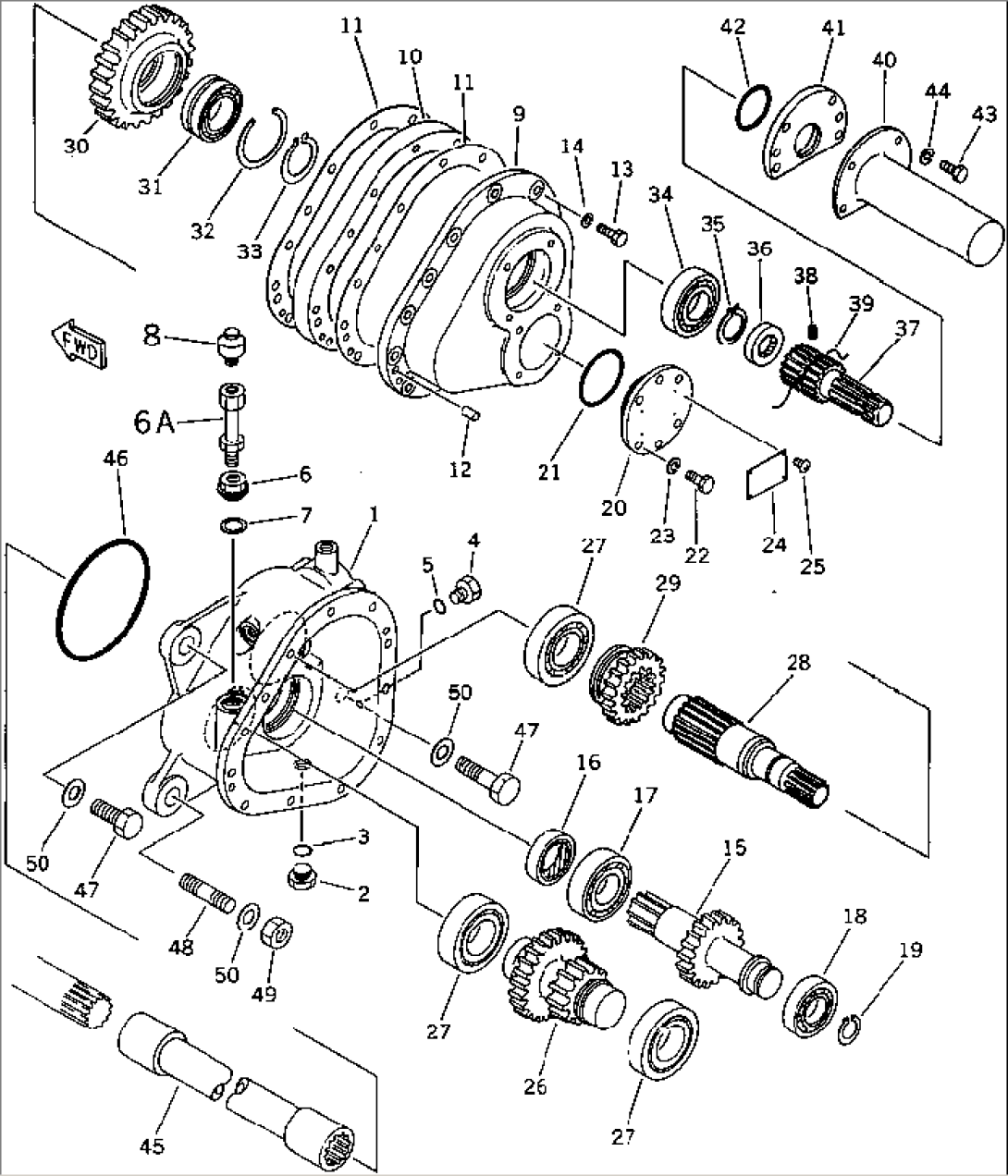
| Item | Part No. | Part Name | Qty | Serial No. |
| 14F-Y56-0010 | P.T.O. ASS'Y | 50001- | ||
| 1 | 14F-Y56-1110 | CASE | 50001- | |
| 2 | 07044-12412 | PLUG | 50001- | |
| 3 | 07002-02434 | O-RING | 50001- | |
| 4 | 07040-10807 | PLUG | 50001- | |
| 5 | 07002-00823 | O-RING | 50001- | |
| 6 | 130-Y61-1360 | NIPPLE | 50001- | |
| 6A | 135-12-31230 | TUBE | 50001- | |
| 7 | 07005-03016 | GASKET | 50001- | |
| 8 | 07030-10252 | BREATHER | 50001- | |
| 9 | 14F-Y56-1120 | CASE | 50001- | |
| 10 | 14F-Y56-1130 | PLATE | 50001- | |
| 11 | 12F-956-1210 | GASKET | 50001- | |
| 12 | 04020-00820 | PIN,DOWEL | 50001- | |
| 13 | 01010-51060 | BOLT | 50001- | |
| 14 | 01602-21030 | WASHER,SPRING | 50001- | |
| 15 | 14F-Y56-1140 | SHAFT | 50001- | |
| 16 | 07013-00050 | SEAL,OIL | 50001- | |
| 17 | 06043-02210 | BEARING,ROLLER | 50001- | |
| 18 | 06040-06208 | BEARING,BALL | 50001- | |
| 19 | 04064-04018 | RING,SNAP | 50001- | |
| 20 | 14F-Y56-1220 | CAP | 50001- | |
| 21 | 07000-02075 | O-RING | 50001- | |
| 22 | 01010-51025 | BOLT | 50001- | |
| 23 | 01602-21030 | WASHER,SPRING | 50001- | |
| 24 | 09601-00835 | PLATE¤ NAME | 50001- | |
| 25 | 04418-13060 | SCREW | 50001- | |
| 26 | 14F-Y56-1150 | GEAR | 50001- | |
| 27 | 14F-Y56-1350 | BEARING,ROLLER | 50001- | |
| 28 | 14F-Y56-1160 | SHAFT | 50001- | |
| 29 | 12F-956-1170 | GEAR | 50001- | |
| 30 | 14F-Y56-1180 | GEAR | 50001- | |
| 31 | 14F-Y56-1190 | BEARING,ROLLER | 50001- | |
| 32 | 04077-00085 | RING,SNAP | 50001- | |
| 33 | 04064-06020 | RING,SNAP | 50001- | |
| 34 | 06030-21309 | BEARING,ROLLER | 50001- | |
| 35 | 04064-04518 | RING,SNAP | 50001- | |
| 36 | 07012-00045 | SEAL,OIL | 50001- | |
| 37 | 14F-Y56-1450 | SHAFT | 50622- | |
| 14F-Y56-1420 | SHAFT | 50001-50621 | ||
| 38 | 14F-Y56-1430 | PIN,SPRING | 50001- | |
| 39 | 04059-01640 | WIRE | 50001- | |
| 40 | 14F-Y56-1230 | CAP | 50001- | |
| 41 | 14F-Y56-1410 | COVER | 50001- | |
| 42 | 07000-02095 | O-RING | 50001- | |
| 43 | 01010-51030 | BOLT | 50001- | |
| 44 | 01602-21030 | WASHER,SPRING | 50001- | |
| 45 | 14F-Y56-1510 | JOINT | 50001- | |
| 46 | 07000-05170 | O-RING | 50001- | |
| 47 | 01010-52455 | BOLT | 50001- | |
| 48 | 01124-52450 | STUD | 50001- | |
| 49 | 01580-12419 | NUT | 50001- | |
| 50 | 01643-32460 | WASHER | 50001- |
