
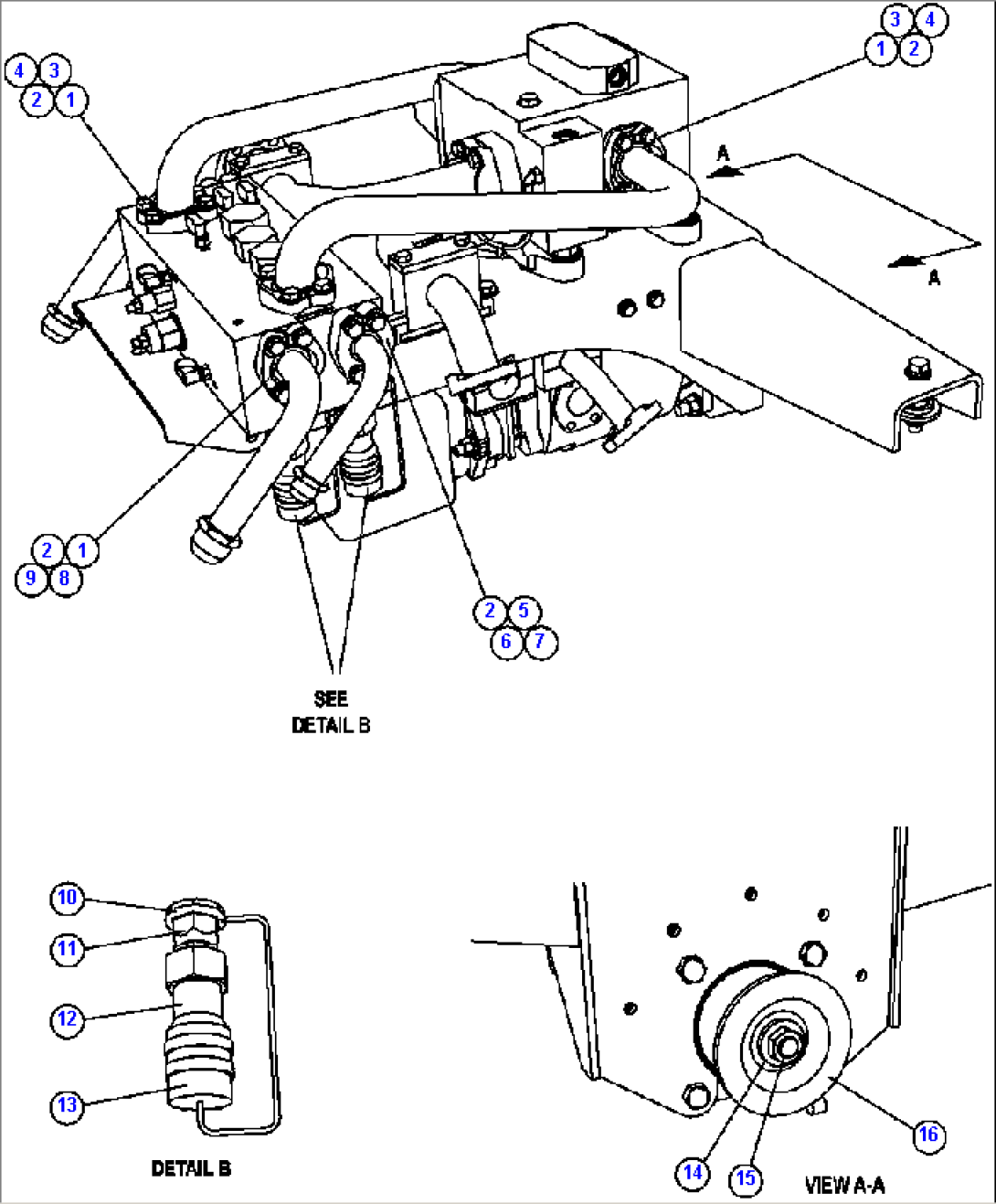
| Item | Part No. | Part Name | Qty | Serial No. |
| 1 | C1614 | CAPSCREW - 1/2" - 13NC X 1 1/2" | ||
| 2 | C1540 | LOCKWASHER - 1/2" | ||
| 3 | TF3231 | CLAMP, SPLIT FLANGE | ||
| 4 | WA0187 | O-RING | ||
| 5 | C1615 | CAPSCREW - 1/2" - 13NC X 1 3/4" | ||
| 6 | WA5630 | CLAMP, SPLIT FLANGE | ||
| 7 | VG9096 | O-RING | ||
| 8 | TF8090 | CLAMP, SPLIT FLANGE | ||
| 9 | VG9095 | O-RING | ||
| 10 | WB0599 | FITTING, STRAIGHT | ||
| 11 | WA3568 | FITTING | ||
| 12 | PB4685 | COUPLING, QUICK DISCONNECT | ||
| 13 | TA2968 | PLUG, DUST | ||
| 14 | EB3976 | WASHER | ||
| 15 | H0989 | JAM NUT - 1" - 14NF | ||
| 16 | PB7940 | FLANGE, COMPANION |
