
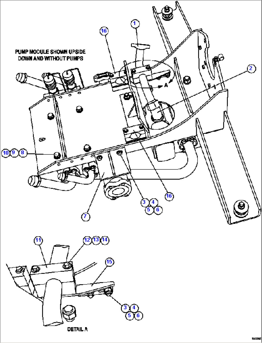
| Item | Part No. | Part Name | Qty | Serial No. |
| 1 | EH1575 | TUBE | ||
| 2 | WB0551 | FITTING, ELBOW - 45 DEG | ||
| 3 | MM0045 | CAPSCREW - M12 X 1.75 X 40 | ||
| 4 | MM0714 | FLAT WASHER - M12 | ||
| 5 | MM0472 | LOCKWASHER - M12 | ||
| 6 | MM0179 | NUT - M12 X 1.75 | ||
| 7 | EC1205 | ANGLE | ||
| 8 | C7595 | CAPSCREW - 5/8" - 11NC X 1 1/4" | ||
| 9 | C1541 | LOCKWASHER - 5/8" | ||
| 10 | WA0361 | FLAT WASHER - 5/8" | ||
| 11 | WA4710 | CLAMP, HYDRA ZORB - 1 1/2" | ||
| 12 | E3735 | FLAT WASHER - 5/16" | ||
| 13 | C1538 | LOCKWASHER - 5/16" | ||
| 14 | C1520 | NUT - 5/16" - 18NC | ||
| 15 | EJ5806 | PLATE, BENT | ||
| 16 | WA4712 | CLAMP, HYDRA ZORB - 2" |
