| Item | Part No. | Part Name | Qty | Serial No. |
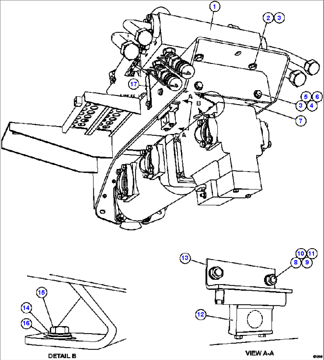
| 1 | PC0522 | OVERCENTER MANIFOLD VALVE (SEE INDEX) | | |
| 2 | C7595 | CAPSCREW - 5/8" - 11NC X 1 1/4" | | |
| 3 | WA0361 | FLAT WASHER - 5/8" (HARDENED) | | |
| 4 | C1629 | CAPSCREW - 5/8" - 11NC X 1 3/4" | | |
| 5 | C1541 | LOCKWASHER - 5/8" | | |
| 6 | VN9952 | LOCKNUT - 5/8" - 11NC | | |
| 7 | EH8957 | BRACKET | | |
| 8 | C1614 | CAPSCREW - 1/2" - 13NC X 1 1/2" | | |
| 9 | WA0360 | FLAT WASHER - 1/2" (HARDENED) | | |
| 10 | C1540 | LOCKWASHER - 1/2" | | |
| 11 | C1523 | NUT - 1/2" - 13NC | | |
| 12 | WA4712 | CLAMP, HYDRA ZORB - 2" | | |
| 13 | XB6122 | ANGLE | | |
| 14 | C0312 | LOCKWASHER - 3/8" | | |
| 15 | DC7524 | CAPSCREW - 3/8" - 16NC X 7/8" | | |
| 16 | WA0720 | FLAT WASHER - 3/8" (HARDENED) | | |
| 17 | EM6516 | BRACKET | | |