
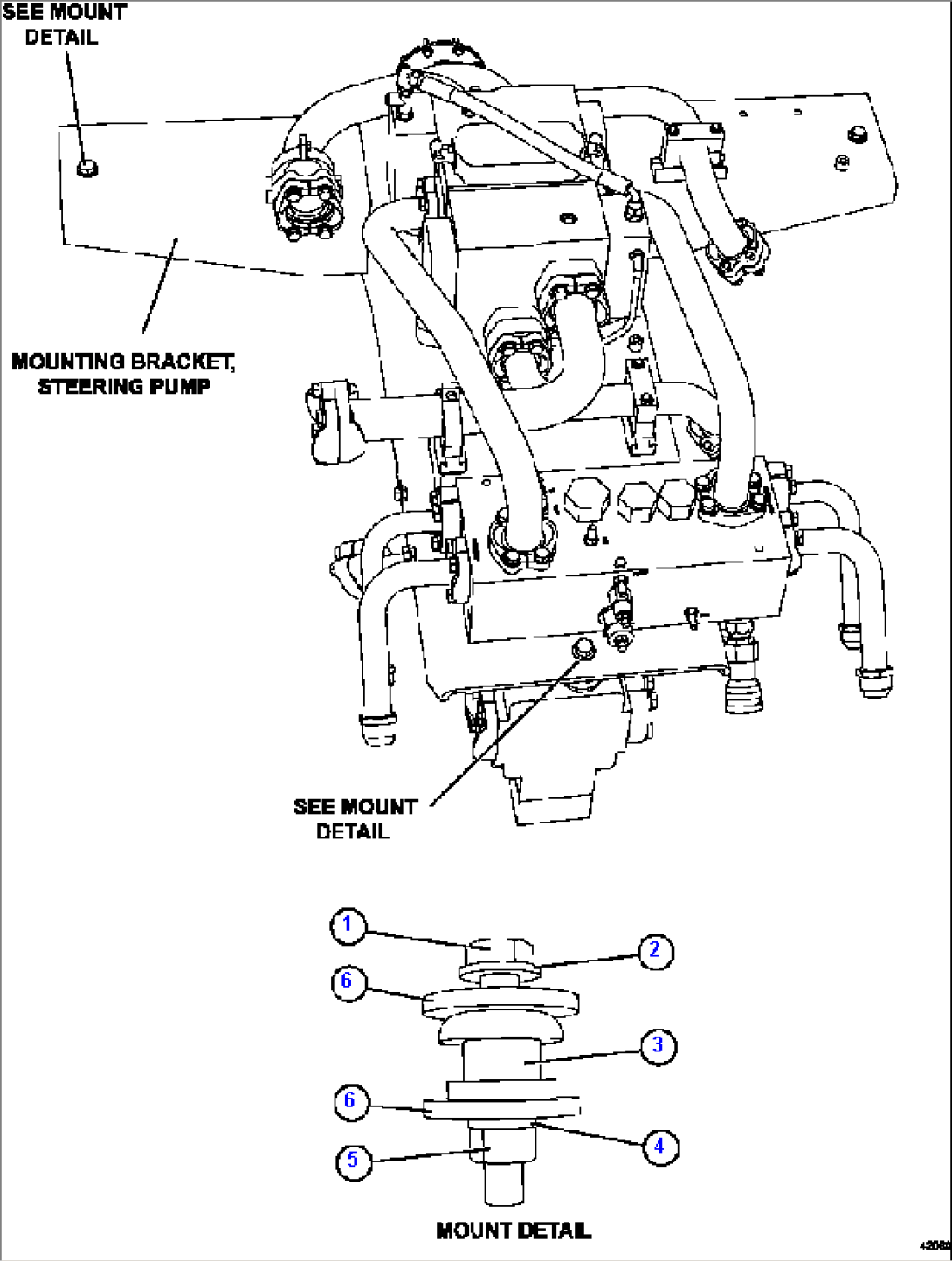
| Item | Part No. | Part Name | Qty | Serial No. |
| 1 | C1637 | CAPSCREW - 5/8" - 11NC X 3 3/4" | ||
| 2 | WA4729 | FLAT WASHER - 5/8" | ||
| 3 | VG7000 | MOUNT | ||
| 4 | C1541 | LOCKWASHER - 5/8" | ||
| 5 | C1525 | NUT - 5/8" - 11NC | ||
| 6 | TD5915 | WASHER |

| Item | Part No. | Part Name | Qty | Serial No. |
| 1 | C1637 | CAPSCREW - 5/8" - 11NC X 3 3/4" | ||
| 2 | WA4729 | FLAT WASHER - 5/8" | ||
| 3 | VG7000 | MOUNT | ||
| 4 | C1541 | LOCKWASHER - 5/8" | ||
| 5 | C1525 | NUT - 5/8" - 11NC | ||
| 6 | TD5915 | WASHER |