Ваш браузер устарел. Этот сайт может работать неполноценно или выглядеть сломанным. Обновите ваш браузер, если можете.

Поиск по каталогу

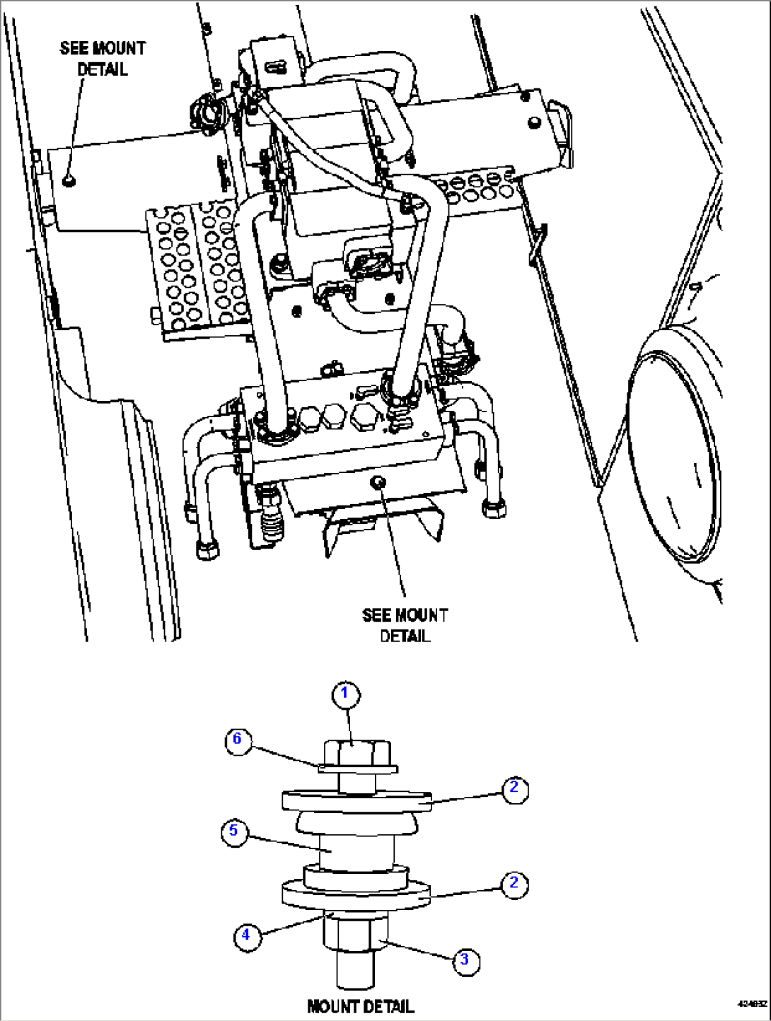
PUMP MODULE INSTALLATION

PUMP MODULE INSTALLATION
ItemPart No.Part NameQtySerial No.
1C1637CAPSCREW - 5/8" - 11NC X 3 3/4"
2TD5915WASHER
3C1525NUT - 5/8" - 11NC
4C1541LOCKWASHER - 5/8"
5VG7000MOUNT
6WA0361FLAT WASHER - 5/8" (HARDENED)
Вернуться в каталог

Заявка

Обратная связь