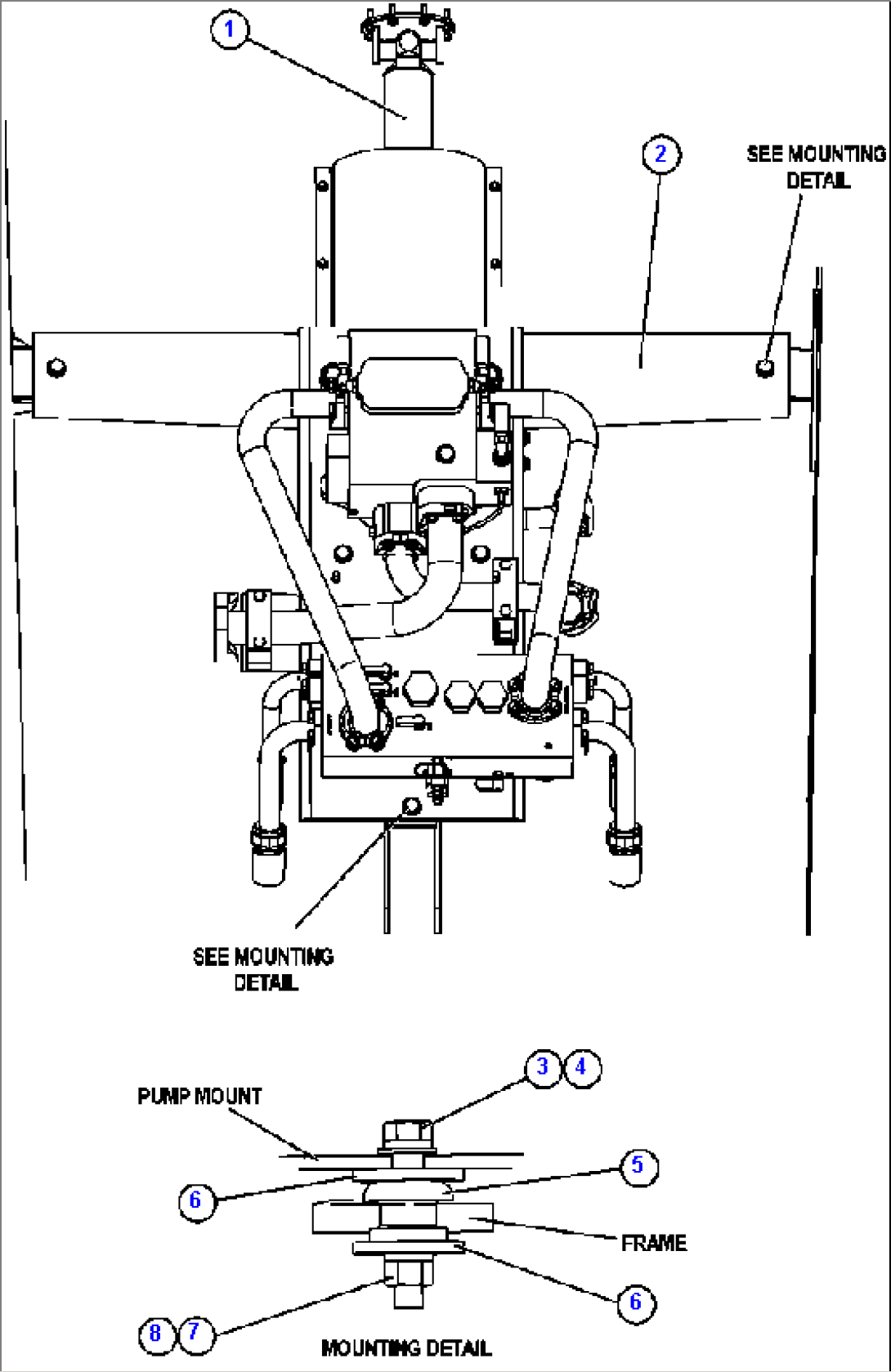
| Item | Part No. | Part Name | Qty | Serial No. |
| 1 | PC0184 | DRIVE SHAFT ASSEMBLY (SEE FIG 55350) | ||
| 2 | EJ1015 | MOUNT, PUMP & VALVE | ||
| 3 | C1637 | CAPSCREW - 5/8" - 11NC X 3 3/4" | ||
| 4 | WA0361 | FLAT WASHER - 5/8" | ||
| 5 | VG7000 | MOUNT, CENTER BONDED | ||
| 6 | TD5915 | WASHER | ||
| 7 | C1525 | NUT - 5/8" - 11NC | ||
| 8 | C1541 | LOCKWASHER - 5/8" |
