
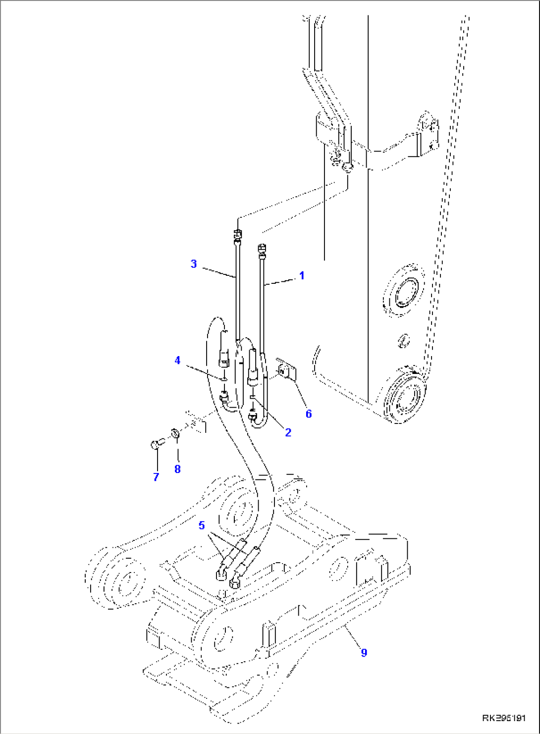
| Item | Part No. | Part Name | Qty | Serial No. |
| 1 | 21D-70-32120 | TUBE, L.H. | F40003- | |
| 2 | 02896-11008 | O-RING | F40003- | |
| 3 | 21D-70-32130 | TUBE, R.H. | F40003- | |
| 4 | 02896-11008 | O-RING | F40003- | |
| 5 | 21D-70-32110 | HOSE | F40003- | |
| 6 | 21D-70-32140 | PLATE | F40003- | |
| 7 | 01010-81020 | BOLT | F40003- | |
| 8 | 01643-31032 | WASHER | F40003- | |
| 9 | 21D-70-32010 | QUICK COUPLER | F40003- |
