
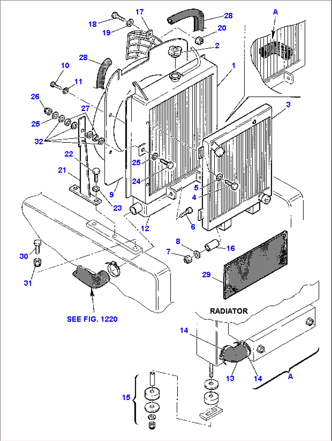
| Item | Part No. | Part Name | Qty | Serial No. |
| \0 | (312607101) | COMPLETE RADIATOR | 97SF10281- | |
| 1 | 875001157 | WATER RADIATOR | 97SF10281- | |
| 2 | 875001093 | PLUG | 97SF10281- | |
| 3 | 875001158 | AIR-HYDRAULIC OIL EXCHANGE | 97SF10281- | |
| 4 | 801015084 | BOLT | 97SF10281- | |
| 5 | 802170000 | WASHER | 97SF10281- | |
| 6 | \6\ | SCREW | 97SF10281- | |
| 7 | \6\ | SELF-LOCKING NUT | 97SF10281- | |
| 8 | \6\ | WASHER | 97SF10281- | |
| 9 | 875001160 | CONVEYOR | 97SF10281- | |
| 10 | 801015064 | BOLT | 97SF10281- | |
| 11 | 802170001 | WASHER | 97SF10281- | |
| 12 | 875001161 | WATER-OIL CONVERT EXCHANGER | 97SF10281- | |
| 13 | 875001149 | HOSE | 97SF10281- | |
| 14 | 802660010 | CLAMP | 97SF10281- | |
| 15 | 875001128 | VIBRATION DAMPER | 97SF10281- | |
| 16 | 875001177 | BUSHING | 97SF10281- | |
| 17 | 312607092 | PROTECTION | 97SF10281- | |
| 18 | 801015066 | BOLT | 97SF10281- | |
| 19 | 802170000 | WASHER | 97SF10281- | |
| 20 | 801852206 | SELF-LOCKING NUT | 97SF10281- | |
| 21 | 312607091 | RADIATOR SUPPORT | 97SF10281- | |
| 22 | 801015087 | BOLT | 97SF10281- | |
| 23 | 802170001 | WASHER | 97SF10281- | |
| 24 | 801015547 | BOLT | 97SF10281- | |
| 25 | 802148009 | WASHER | 97SF10281- | |
| 26 | 801880208 | SELF-LOCKING NUT | 97SF10281- | |
| 27 | 500411236 | RUBBER | 97SF10281- | |
| 28 | 312605111 | GASKET | 97SF10281- | |
| 29 | 312607690 | PROTECTION | 97SF10281- | |
| 30 | 801015593 | BOLT | 97SF10281- | |
| 31 | 801920107 | NUT | 97SF10281- | |
| 32 | 802148010 | WASHER | 97SF10281- | |
| SEE FIG. 1220 |
