
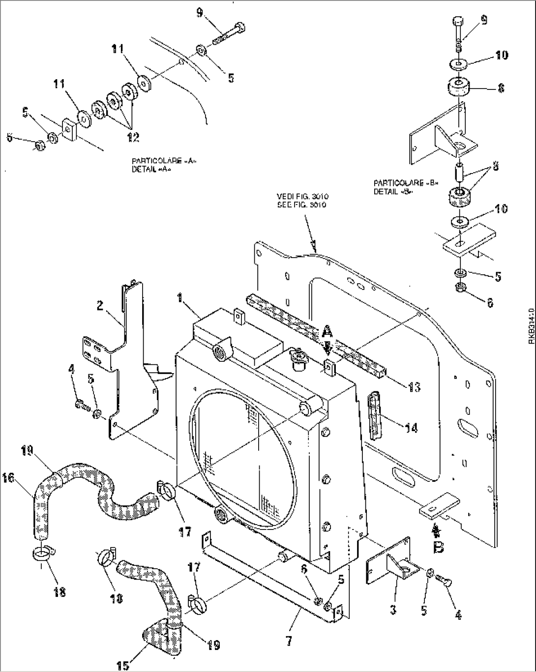
| Item | Part No. | Part Name | Qty | Serial No. |
| 1 | (37A-03-11202) | RADIATOR ASS'Y | AF00004- | |
| 2 | 37A-62-13153 | SUPPORT | AF00004- | |
| 3 | 37A-03-11260 | SUPPORT | AF00004- | |
| 4 | 801015110 | BOLT | AF00004- | |
| 5 | 802170002 | WASHER | AF00004- | |
| 6 | 801880001 | NUT | AF00004- | |
| 7 | 37A-03-11280 | SUPPORT | AF00004- | |
| 8 | 37A-03-11220 | DAMPER | AF00004- | |
| 9 | 801015564 | BOLT | AF00004- | |
| 10 | 802160003 | WASHER | AF00004- | |
| 11 | 802148013 | WASHER | AF00004- | |
| 12 | 500411236 | DAMPER | AF00004- | |
| 13 | 37A-03-11340 | GASKET | AF00004- | |
| 14 | 37A-03-11210 | GASKET | AF00004- | |
| 15 | 37A-03-11310 | SLEEVE | AF00004- | |
| 16 | 37A-03-11290 | SLEEVE | AF00004- | |
| 17 | 802660010 | CLAMP,HOSE | AF00004- | |
| 18 | 802660007 | CLAMP | AF00004- | |
| 19 | 855021325 | O-RING | AF00004- |
