
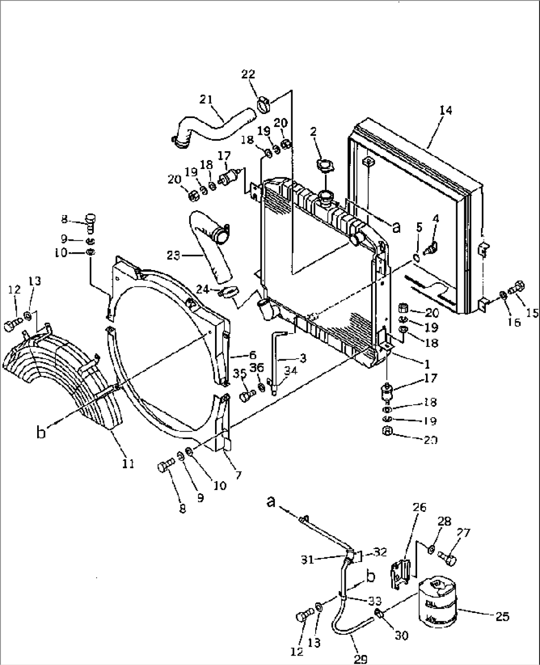
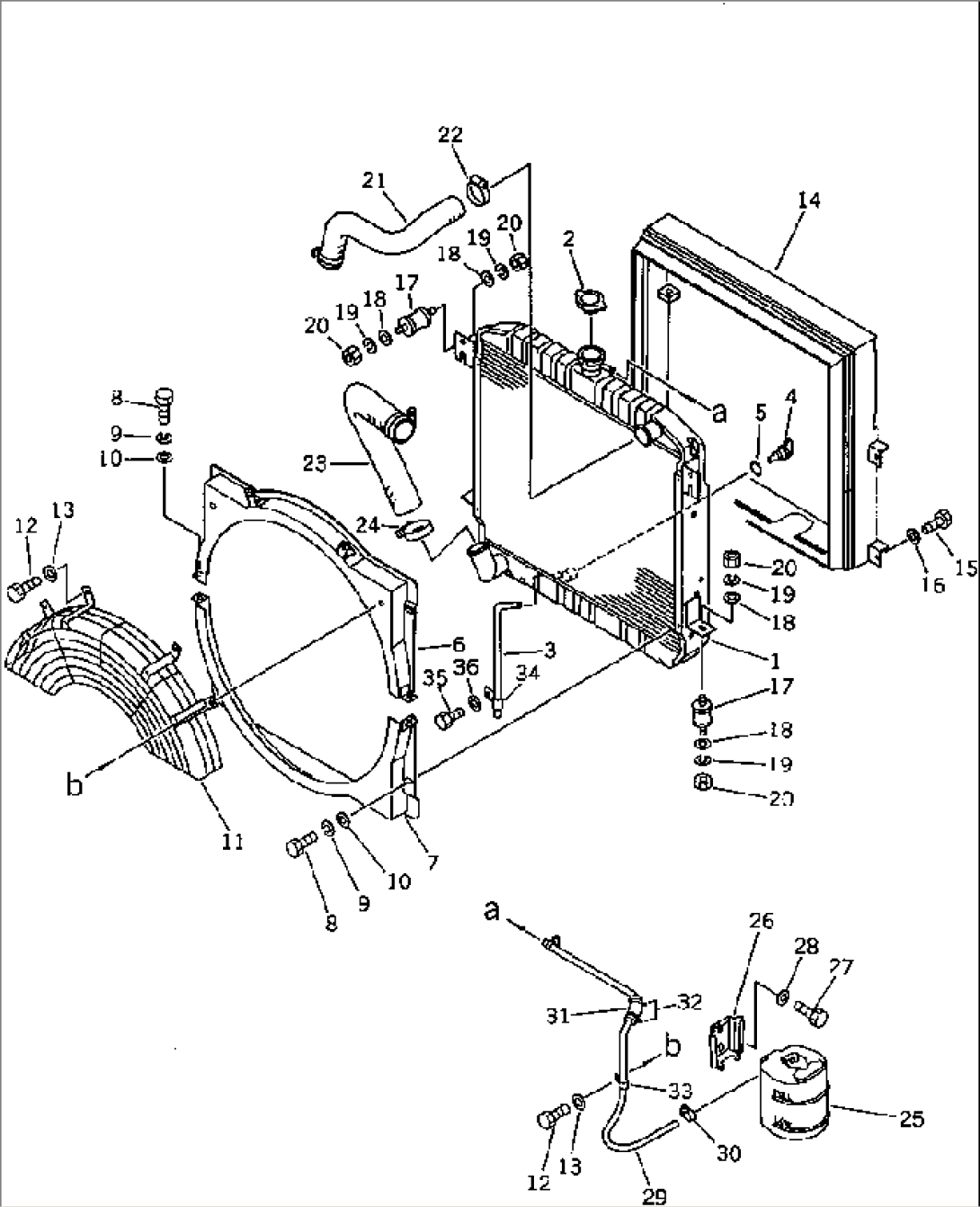
| Item | Part No. | Part Name | Qty | Serial No. |
| 363-03-00010 | RADIATOR ASS'Y | 1001- | ||
| 1 | 363-03-11220 | RADIATOR | 1001- | |
| 2 | 362-03-11370 | CAP | 1001- | |
| 3 | 363-03-11150 | TUBE | 1001- | |
| 4 | 20R-03-11230 | VALVE | 1001- | |
| 5 | 07000-01007 | O-RING | 1001- | |
| 6 | 363-03-11230 | SHROUD | 1001- | |
| 7 | 363-03-11240 | SHROUD | 1001- | |
| 8 | 01010-50816 | BOLT | 1001- | |
| 9 | 01602-20825 | WASHER,SPRING | 1001- | |
| 10 | 01643-30823 | WASHER | 1001- | |
| 11 | 363-03-11140 | NET,WIRE | 1001- | |
| 12 | 01010-50816 | BOLT | 1001- | |
| 13 | 01643-30823 | WASHER | 1001- | |
| 14 | 363-03-11270 | BAFFLE | 1001- | |
| 15 | 01010-50820 | BOLT | 1001- | |
| 16 | 01643-30823 | WASHER | 1001- | |
| 17 | 20R-03-11190 | CUSHION | 1001- | |
| 18 | 01643-30823 | WASHER | 1001- | |
| 19 | 01602-20825 | WASHER,SPRING | 1001- | |
| 20 | 01580-10806 | NUT | 1001- | |
| 21 | 363-03-11160 | HOSE | 1001- | |
| 22 | 07281-00489 | CLAMP | 1001- | |
| 23 | 363-03-11170 | HOSE | 1001- | |
| 24 | 07281-00549 | CLAMP | 1001- | |
| 25 | 362-03-14110 | TANK | 1001- | |
| 26 | 362-03-14120 | BRACKET | 1001- | |
| 27 | 01010-50616 | BOLT | 1001- | |
| 28 | 01643-30623 | WASHER | 1001- | |
| 29 | 362-03-24140 | HOSE | 1001- | |
| 30 | 07281-00137 | CLAMP | 1001- | |
| 31 | 201-43-22190 | BUSHING | 1001- | |
| 32 | 08034-00519 | BAND | 1001- | |
| 33 | 08036-31214 | CLIP | 1001- | |
| 34 | 08036-10814 | CLIP | 1001- | |
| 35 | 01010-51016 | BOLT | 1001- | |
| 36 | 01643-31032 | WASHER | 1001- |
