
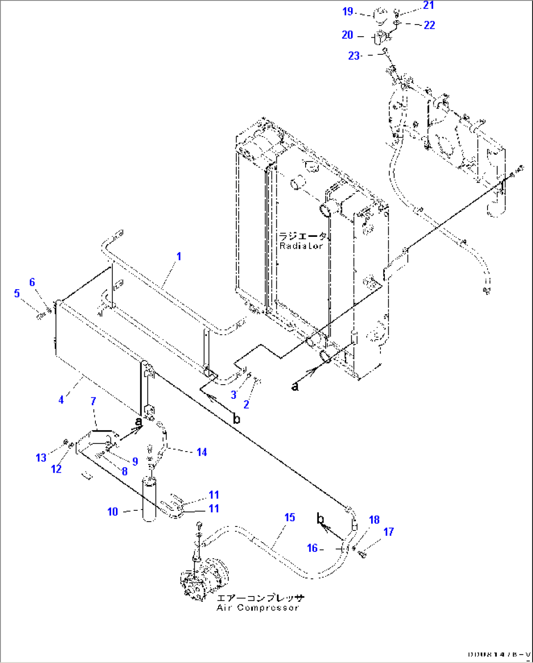
Item | Part No. | Part Name | Qty | Serial No. |
1 | 419-S62-4825 | Bracket | 70452- | |
1 | 419-S62-4824 | Bracket | 70452-71085 | |
2 | 01010-81025 | Bolt | 70452- | |
3 | 01643-31032 | Washer | 70452- | |
4 | 56E-07-21133 | Condenser Assembly | 71086- | |
4 | 56E-07-21132 | Condenser Assembly | 70452-71085 | |
5 | 01010-80825 | Bolt | 70452- | |
6 | 01643-30823 | Washer | 70452- | |
7 | 419-S62-4873 | Bracket | 70452- | |
8 | 01010-81025 | Bolt | 70452- | |
9 | 01643-31032 | Washer | 70452- | |
10 | 423-07-31571 | Receiver | 70452- | |
11 | 07283-36155 | Clip | 70452- | |
12 | 01643-31032 | Washer | 70452- | |
13 | 01597-01009 | Nut | 70452- | |
14 | 419-S62-4251 | Hose | 70452- | |
15 | 419-S62-4242 | Hose | 70452- | |
16 | 04434-52312 | Clip | 70452- | |
17 | 01010-81020 | Bolt | 70452- | |
18 | 01643-31032 | Washer | 70452- | |
19 | 208-04-71780 | Breather | 70452- | |
19 | 421-60-35170 | Element | 70452- | |
19 | 421-60-35180 | Cover | 70452- | |
19 | 421-60-35190 | Nut | 70452- | |
20 | 418-04-41430 | Block | 70452- | |
21 | 01010-81020 | Bolt | 70452- | |
22 | 01643-31032 | Washer | 70452- | |
23 | 425-62-14170 | Nipple | 70452- |