
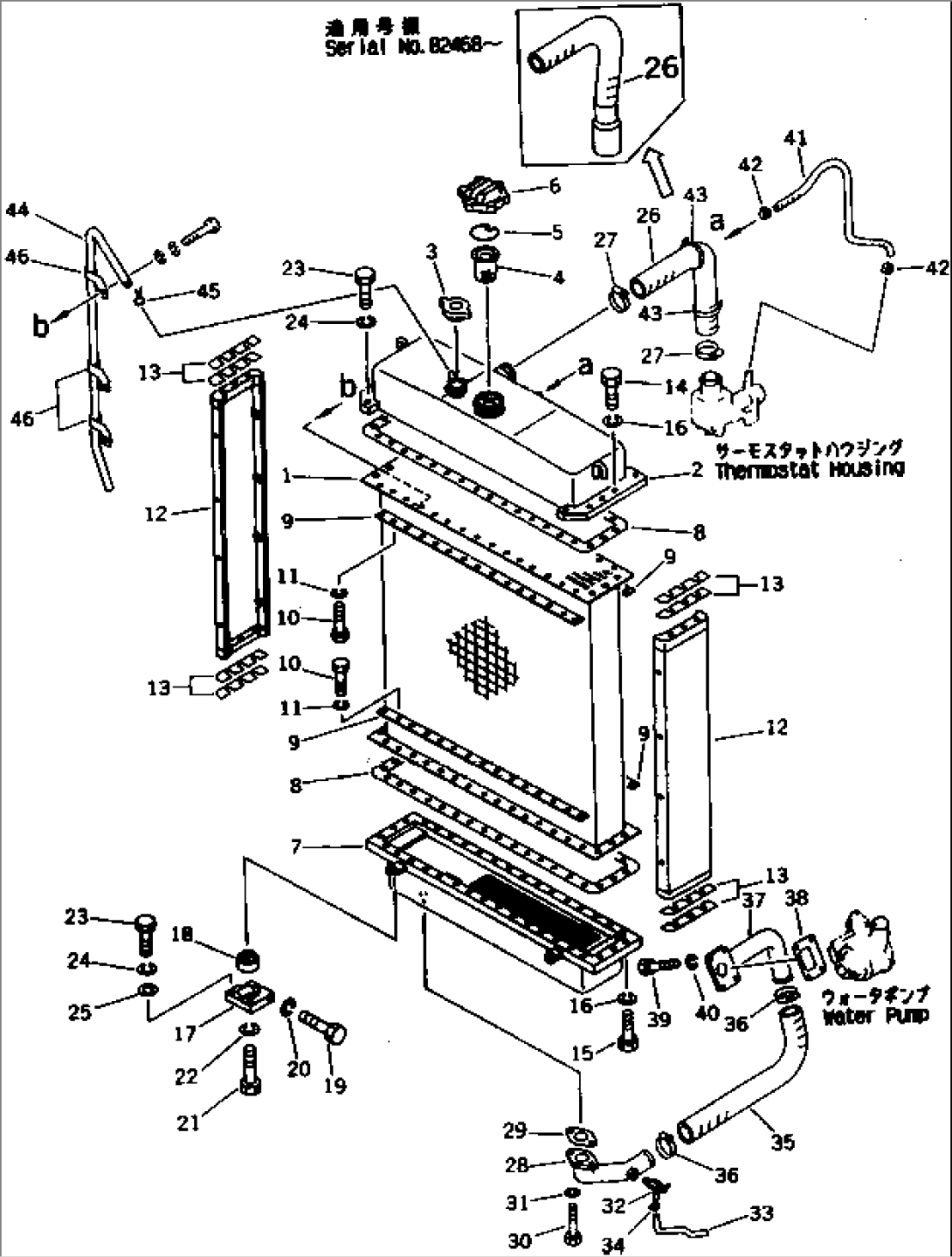
| Item | Part No. | Part Name | Qty | Serial No. |
| 13G-03-00020 | RADIATOR ASS'Y | 81285- | ||
| 1 | 13G-03-51110 | CORE | 81285- | |
| 2 | 13F-03-31110 | TANK,UPPER | 81285- | |
| 3 | 125-03-21210 | CAP | 81285- | |
| 4 | 07056-00048 | STRAINER | 81285- | |
| 5 | 07057-03271 | RING,SNAP | 81285- | |
| 6 | 07053-10000 | CAP | 81285- | |
| 6 | 07053-00002 | GASKET | 81285- | |
| 7 | 13G-03-51210 | TANK,LOWER | 81285- | |
| 8 | 130-03-71141 | GASKET | 82145- | |
| 8 | 130-03-71140 | GASKET | 81285-82144 | |
| 9 | 134-03-21150 | PLATE | 81285- | |
| 10 | 01010-81020 | BOLT | 81285- | |
| 11 | 01602-21030 | WASHER,SPRING | 81285- | |
| 12 | 130-03-81150 | SUPPORT | 81285- | |
| 13 | 130-03-05010 | SHIM KIT | 81285- | |
| 13 | \6\ | SHIM, 0.2MM | 81285- | |
| 13 | \6\ | SHIM, 0.5MM | 81285- | |
| 14 | 01010-81245 | BOLT | 81285- | |
| 15 | 01010-81240 | BOLT | 81285- | |
| 16 | 01602-21236 | WASHER,SPRING | 81285- | |
| 17 | 13F-03-31370 | BRACKET | 81285- | |
| 18 | 135-03-12110 | DAMPER | 81285- | |
| 19 | 01010-81295 | BOLT | 81285- | |
| 20 | 01602-21236 | WASHER,SPRING | 81285- | |
| 21 | 01010-81460 | BOLT | 81285- | |
| 22 | 01602-21442 | WASHER,SPRING | 81285- | |
| 23 | 01010-81245 | BOLT | 81285- | |
| 24 | 01602-21236 | WASHER,SPRING | 81285- | |
| 25 | 01643-31232 | WASHER | 81285- | |
| 26 | 130-03-71380 | HOSE | 82458- | |
| 26 | 130-03-71210 | HOSE | 81285-82457 | |
| 27 | 208-09-11120 | CLAMP | 81285- | |
| 28 | 134-03-31140 | PIPE | 81285- | |
| 29 | 131-03-41321 | GASKET | 82145- | |
| 29 | 131-03-41320 | GASKET | 81285-82144 | |
| 30 | 01010-81230 | BOLT | 81285- | |
| 31 | 01602-21236 | WASHER,SPRING | 81285- | |
| 32 | 07730-50004 | VALVE | 81285- | |
| 33 | 07270-01520 | TUBE | 81285- | |
| 34 | 07280-01920 | CLAMP | 81285- | |
| 35 | 130-03-71220 | HOSE | 81285- | |
| 36 | 208-09-11120 | CLAMP | 81285- | |
| 37 | 130-03-71180 | TUBE | 81285- | |
| 38 | 130-03-71191 | GASKET | 82145- | |
| 38 | 130-03-71190 | GASKET | 81285-82144 | |
| 39 | 01010-81030 | BOLT | 81285- | |
| 40 | 01602-21030 | WASHER,SPRING | 81285- | |
| 41 | 07260-20970 | HOSE | 82458- | |
| 41 | 07260-20990 | HOSE | 81285-82457 | |
| 42 | 07281-00197 | CLAMP | 81285- | |
| 43 | 08034-00834 | BAND | 81285- | |
| 44 | 13F-03-31140 | TUBE | 81285- | |
| 45 | 04059-01010 | WIRE,LOCK | 81285- | |
| 46 | 6675-61-7380 | CLIP | 81285- |
