
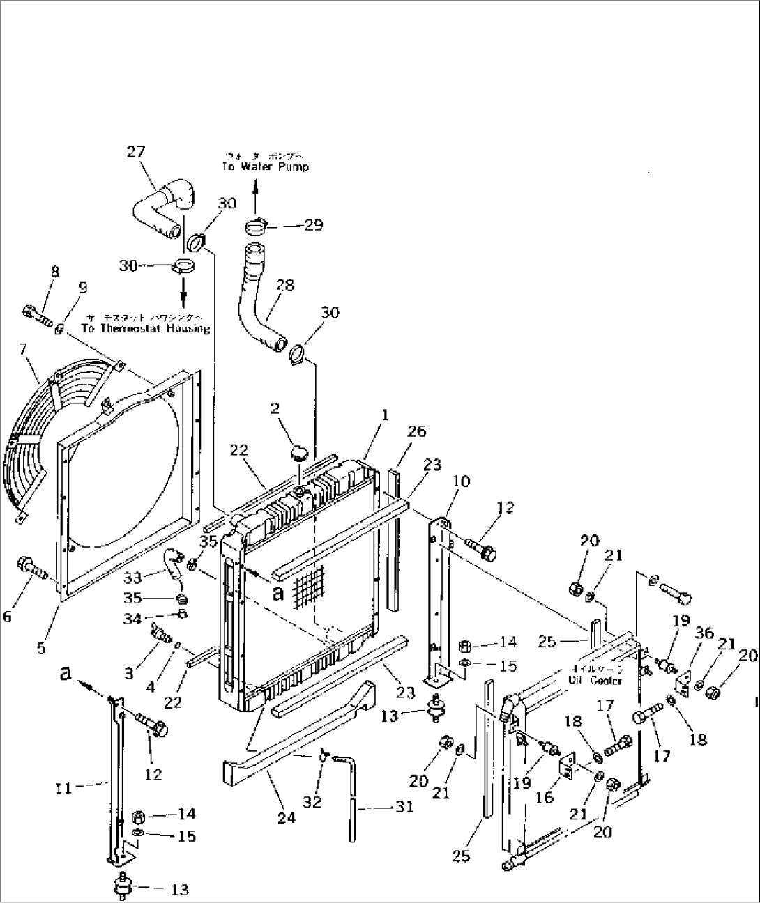
| Item | Part No. | Part Name | Qty | Serial No. |
| 1 | 21K-03-33410 | RADIATOR ASS'Y | K20001-@ | |
| 2 | 201-03-51310 | CAP | K20001-@ | |
| 3 | 205-03-62660 | PLUG | K20001-@ | |
| 4 | 07000-01007 | O-RING | K20001-@ | |
| 5 | 21P-03-21340 | SHROUD | K20001-@ | |
| 6 | 01435-20814 | BOLT | K20001-@ | |
| 7 | 21P-03-21121 | GUARD | K20001-K20392 | |
| 8 | 01010-51025 | BOLT | K20001-@ | |
| 9 | 01643-31032 | WASHER | K20001-@ | |
| 10 | 21P-03-21350 | BRACKET,L.H. | K20001-@ | |
| 11 | 21P-03-21360 | BRACKET,R.H. | K20001-@ | |
| 12 | 01435-20814 | BOLT | K20001-@ | |
| 13 | 21K-03-33290 | CUSHION | K20001-@ | |
| 14 | 01580-11210 | NUT | K20001-@ | |
| 15 | 01643-31232 | WASHER | K20001-@ | |
| 16 | 21P-03-21270 | PLATE | K20001-@ | |
| 17 | 01010-51025 | BOLT | K20001-@ | |
| 18 | 01643-31032 | WASHER | K20001-@ | |
| 19 | 203-03-56340 | CUSHION | K20001-@ | |
| 20 | 01580-10806 | NUT | K20001-@ | |
| 21 | 01643-30823 | WASHER | K20001-@ | |
| 22 | 21P-03-21410 | SHEET | K20001-@ | |
| 23 | 21K-03-33160 | SHEET | K20001-@ | |
| 24 | 21P-03-K1120 | SHEET | K20001-@ | |
| 25 | 20Y-03-11241 | SEAL | K20001-@ | |
| 26 | 21P-03-K1110 | SHEET | K20001-@ | |
| 27 | 21P-03-21130 | HOSE | K20001-@ | |
| 28 | 21P-03-21330 | HOSE | K20001-@ | |
| 29 | 208-09-11120 | CLAMP | K20001-@ | |
| 30 | 208-09-11110 | CLAMP | K20001-@ | |
| 31 | 203-03-56350 | HOSE | K20001-@ | |
| 32 | 20Y-03-11330 | CLIP | K20001-@ | |
| 33 | 195-979-4830 | HOSE | K20001-@ | |
| 34 | 205-03-62720 | PLUG | K20001-@ | |
| 35 | 07281-00259 | CLAMP | K20001-@ | |
| 36 | 21P-03-21320 | PLATE | K20001-@ |
