
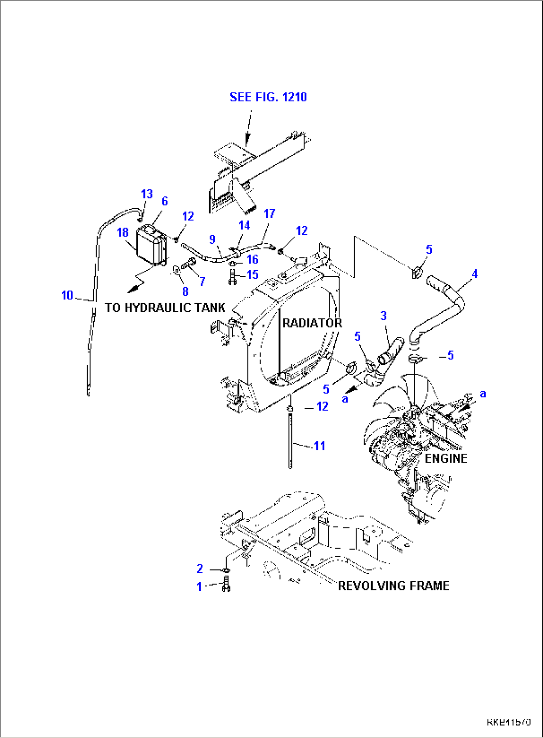
| Item | Part No. | Part Name | Qty | Serial No. |
| 1 | 01016-51030 | BOLT | F00103- | |
| 2 | 01643-11032 | WASHER | F00103- | |
| 3 | 22L-03-21163 | HOSE | F00103- | |
| 4 | 22L-03-21171 | HOSE | F00103- | |
| 5 | 37A-09-5J007 | CLAMP | F00103- | |
| 6 | 22L-09-R3820 | PLUG | F00103- | |
| 7 | 01010-80820 | BOLT | F00103- | |
| 8 | 01643-10823 | WASHER | F00103- | |
| 9 | 22L-03-R1470 | HOSE | F00103- | |
| 10 | 22L-03-R1481 | HOSE | F00103- | |
| 11 | 22L-03-21180 | HOSE | F00103- | |
| 12 | 07285-00115 | CLAMP | F00103- | |
| 13 | 07285-00130 | CLAMP | F00103- | |
| 14 | 04434-51210 | CLAMP | F00103- | |
| 15 | 01010-80816 | BOLT | F00103- | |
| 16 | 01643-10823 | WASHER | F00103- | |
| 17 | 22L-09-R1620 | PROTECTION | F00103- | |
| 18 | 22L-09-R3810 | TANK | F00103- | |
| SEE FIGURE 1210 |
