
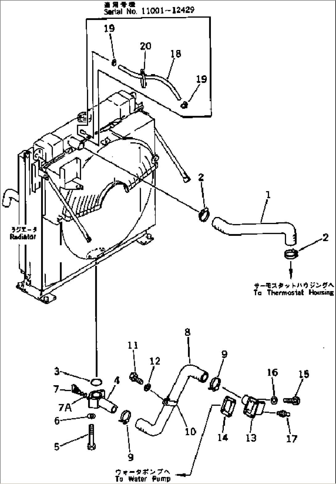
Item | Part No. | Part Name | Qty | Serial No. |
1 | 207-03-31120 | HOSE | 11001- | |
2 | 07281-00809 | CLAMP | 11001- | |
3 | 07000-02070 | O-RING | 11001- | |
4 | 207-03-31150 | TUBE | 11001- | |
5 | 01010-51290 | BOLT | 11001- | |
6 | 01643-31232 | WASHER | 11001- | |
7 | 205-03-62660 | PLUG | 11001- | |
7A | 07000-01007 | O-RING | 11001- | |
8 | 207-03-31130 | HOSE | 11001- | |
9 | 07281-00809 | CLAMP | 11001- | |
10 | 281-03-11710 | CLIP | 11001- | |
11 | 01010-51225 | BOLT | 11001- | |
12 | 01643-31232 | WASHER | 11001- | |
13 | 207-03-31160 | CONNECTOR | 11001- | |
14 | 207-03-31270 | GASKET | 11001- | |
15 | 01010-51025 | BOLT | 11001- | |
16 | 01643-51032 | WASHER | 11001- | |
17 | 20T-03-11280 | NIPPLE | 11001- | |
18 | 09483-00308 | HOSE | 11001-12429 | |
19 | 07281-00197 | CLAMP | 11001-12429 | |
20 | 08034-00834 | BAND | 11001-12429 |