
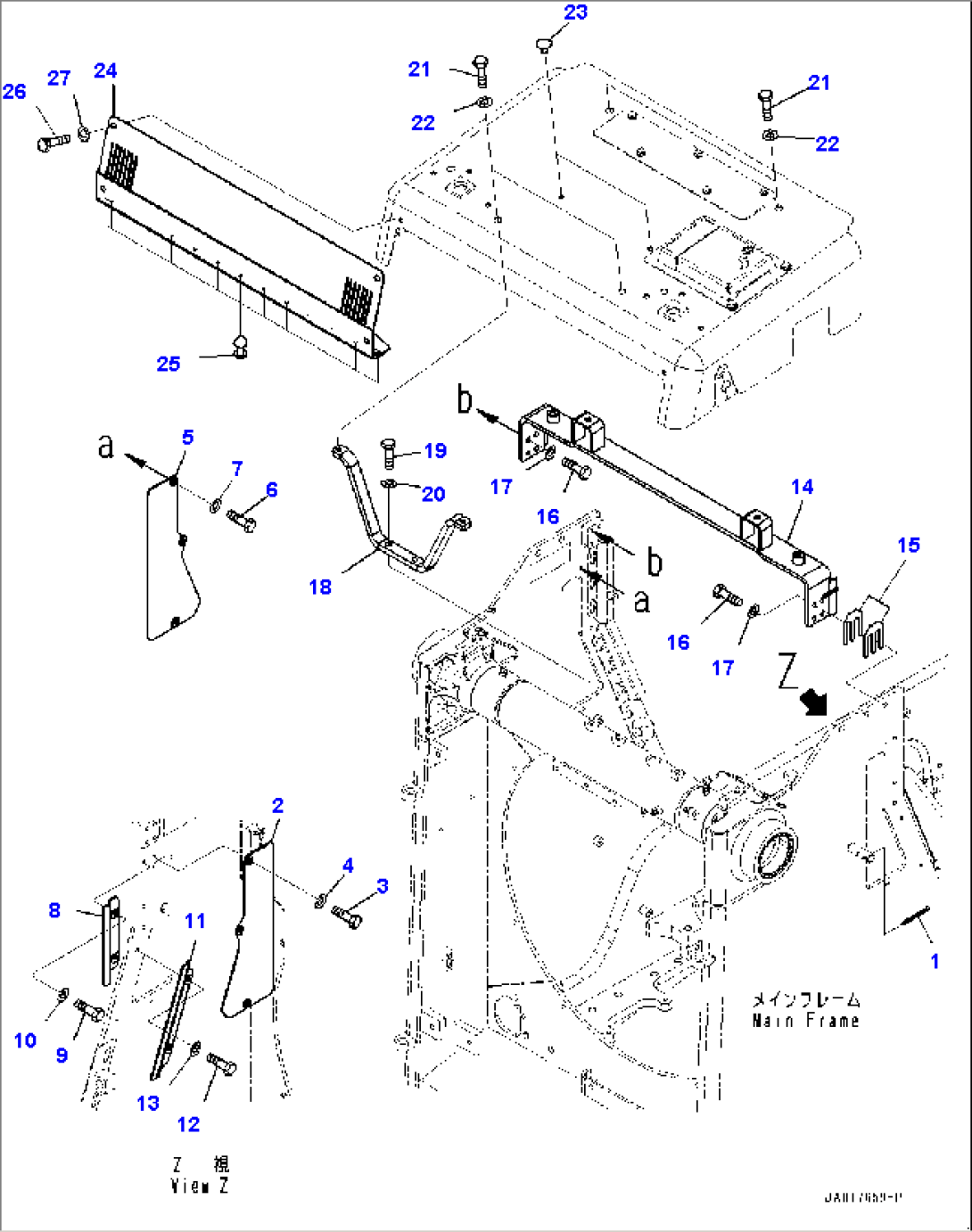
| Item | Part No. | Part Name | Qty | Serial No. |
| 1 | 04050-18080 | Pin, Cotter | 22083- | |
| 2 | 154-54-86440 | Cover | 22083- | |
| 3 | 01010-81020 | Bolt | 22083- | |
| 4 | 01643-31032 | Washer | 22083- | |
| 5 | 154-54-86430 | Cover | 22083- | |
| 6 | 01010-81020 | Bolt | 22083- | |
| 7 | 01643-31032 | Washer | 22083- | |
| 8 | 154-54-86512 | Bracket | 22083- | |
| 9 | 01010-81020 | Bolt | 22083- | |
| 10 | 01643-31032 | Washer | 22083- | |
| 11 | 154-54-86522 | Bracket | 22083- | |
| 12 | 01010-81020 | Bolt | 22083- | |
| 13 | 01643-31032 | Washer | 22083- | |
| 14 | 154-54-81581 | Bracket | 22083- | |
| 15 | 154-54-87890 | Shim, T=1mm | 22083- | |
| 16 | 01010-81235 | Bolt | 22083- | |
| 17 | 01643-31232 | Washer | 22083- | |
| 18 | 154-54-85450 | Plate | 22083- | |
| 19 | 01010-81235 | Bolt | 22083- | |
| 20 | 01643-31232 | Washer | 22083- | |
| 21 | 01010-81230 | Bolt | 22083- | |
| 22 | 175-54-34170 | Washer | 22083- | |
| 23 | 416-54-21710 | Plug | 22083- | |
| 24 | 154-54-81661 | Cover | 22083- | |
| 25 | 362-56-41740 | Rivet | 22083- | |
| 26 | 01010-D1230 | Bolt | 22083- | |
| 27 | 01643-71232 | Washer | 22083- |
