
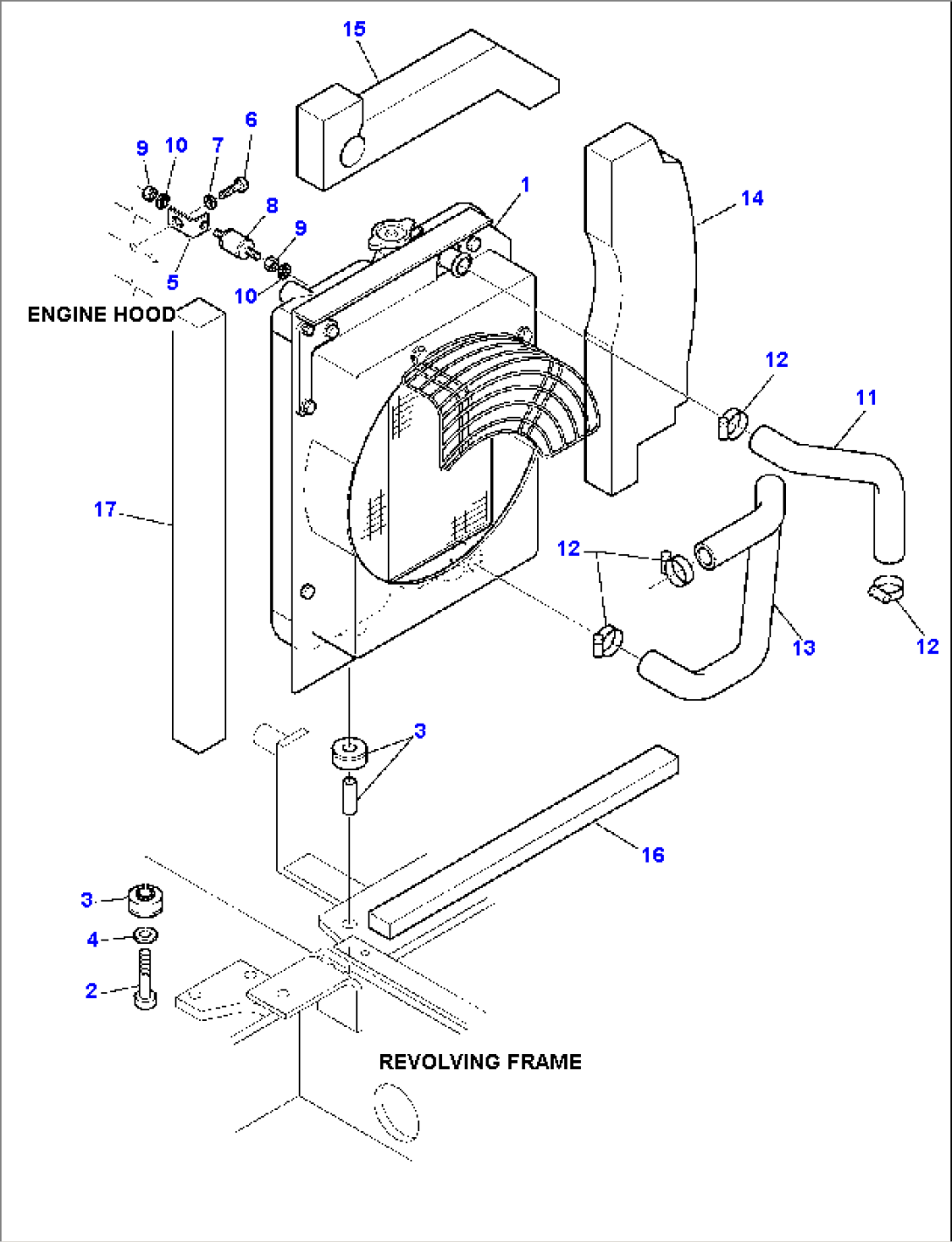
| Item | Part No. | Part Name | Qty | Serial No. |
| 1 | 3F1007063 | RADIATOR, ASSY. | F32154- | |
| 2 | 801014138 | BOLT | F32154- | |
| 3 | 875600018 | DAMPER | F32154- | |
| 4 | 802150512 | SPRING WASHER | F32154- | |
| 5 | 3F1007607 | BRACKET | F32154- | |
| 6 | 801015108 | BOLT | F32154- | |
| 7 | 802170002 | WASHER | F32154- | |
| 8 | 808001043 | DAMPER | F32154- | |
| 9 | 801880208 | NUT | F32154- | |
| 10 | 802170001 | SPRING WASHER | F32154- | |
| 11 | 21U-03-R1160 | SLEEVE | F32154- | |
| 12 | 802660007 | CLAMP | F32154- | |
| 13 | 3F2008603 | SLEEVE | F32154- | |
| 14 | 3F2007605 | SHEET | F32154- | |
| 15 | 3F2007606 | SHEET | F32154- | |
| 16 | 3F2007603 | SHEET | F32154- | |
| 17 | 3F4507606 | SHEET | F32154- |
