
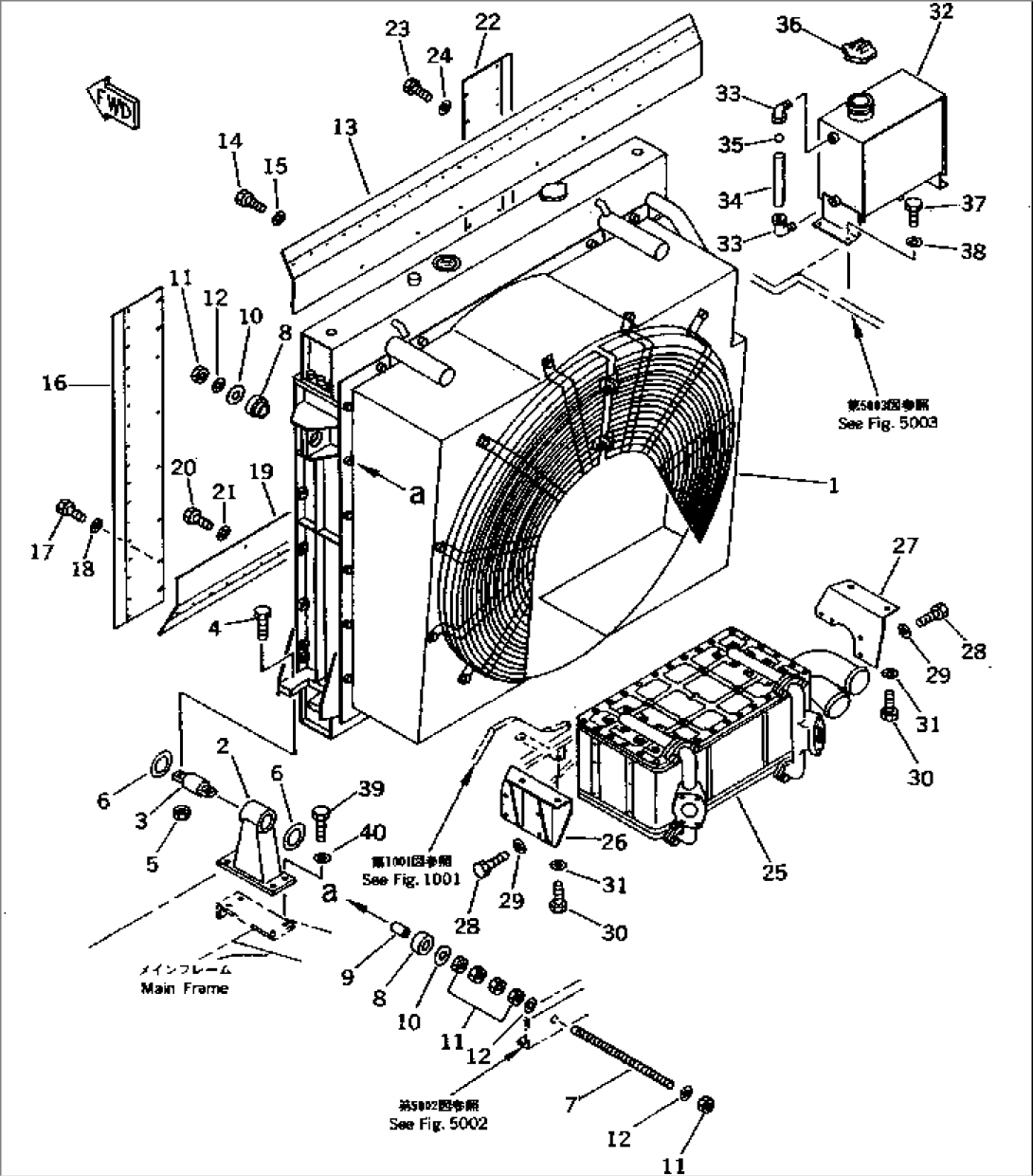
Item | Part No. | Part Name | Qty | Serial No. |
1 | (561-03-64101) | RADIATOR ASS'Y,(WITH SAE NET) | 1001- | |
1 | (561-03-64201) | RADIATOR ASS'Y,(FOR LARGE FAN) | 1001- | |
2 | 561-03-61711 | BRACKET | 1001- | |
3 | 581-61-21520 | CUSHION | 1001- | |
4 | 01010-51480 | BOLT | 1001- | |
5 | 01598-01415 | NUT | 1001- | |
6 | 01640-24260 | WASHER | 1001- | |
7 | 582-03-13180 | ROD | 1001- | |
8 | 566-54-12212 | CUSHION | 1001- | |
9 | 566-54-21910 | BUSHING | 1001- | |
10 | 566-54-21920 | PLATE | 1001- | |
11 | 01582-12016 | NUT | 1001- | |
12 | 01643-32060 | WASHER | 1001- | |
13 | 561-03-61812 | BAFFLE | 1001- | |
14 | 01010-51225 | BOLT | 1001- | |
15 | 01643-31232 | WASHER | 1001- | |
16 | 561-03-61822 | BAFFLE | 1001- | |
17 | 01010-51225 | BOLT | 1001- | |
18 | 01643-31232 | WASHER | 1001- | |
19 | 561-03-61832 | BAFFLE | 1001- | |
20 | 01010-51225 | BOLT | 1001- | |
21 | 01643-31232 | WASHER | 1001- | |
22 | 561-03-61840 | BAFFLE | 1001- | |
23 | 01010-51225 | BOLT | 1001- | |
24 | 01643-31232 | WASHER | 1001- | |
25 | (561-03-63101) | OIL COOLER ASS'Y | 1001- | |
26 | 561-03-63413 | BRACKET | 1001- | |
27 | 561-03-63423 | BRACKET | 1001- | |
28 | 01010-51235 | BOLT | 1001- | |
29 | 01643-31232 | WASHER | 1001- | |
30 | 01010-51660 | BOLT | 1001- | |
31 | 01643-31645 | WASHER | 1001- | |
32 | 561-03-61912 | TANK | 1001- | |
33 | 208-04-19130 | ELBOW | 1001- | |
34 | 561-03-61940 | TUBE | 1001- | |
35 | 208-04-19160 | BALL,FLOAT | 1001- | |
36 | 07053-10000 | CAP | 1001- | |
37 | 01010-51225 | BOLT | 1001- | |
38 | 01643-31232 | WASHER | 1001- | |
39 | 01010-51650 | BOLT | 1001- | |
40 | 01643-31645 | WASHER | 1001- |