
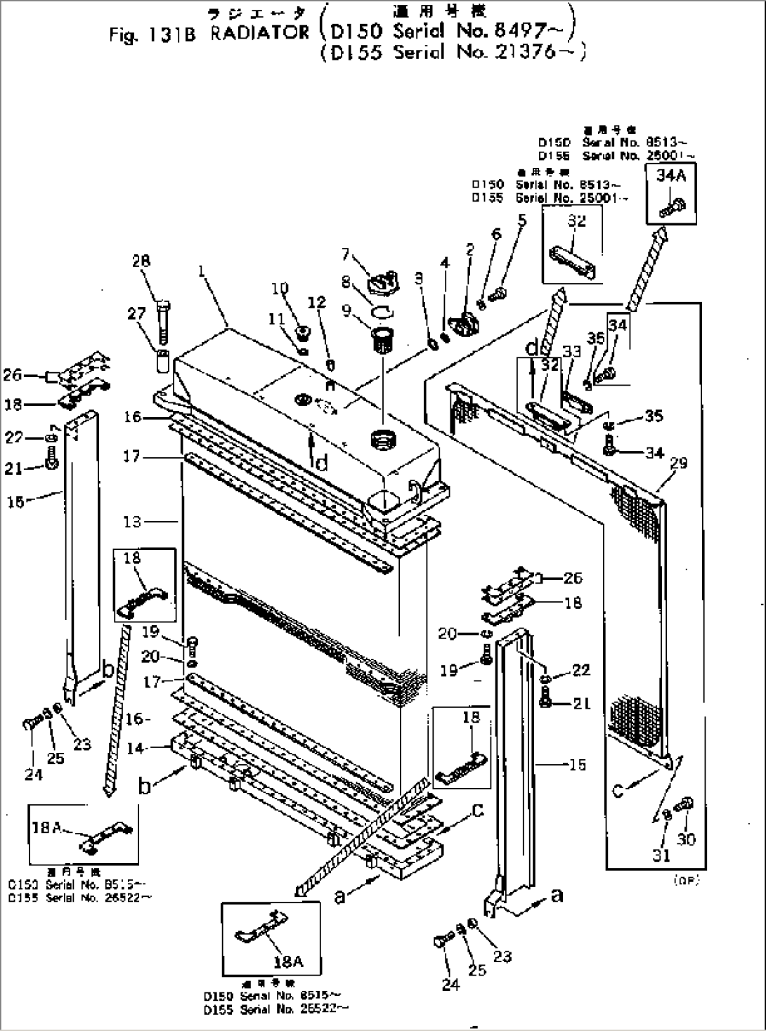
| Item | Part No. | Part Name | Qty | Serial No. |
| 175-03-00296 | RADIATOR ASS'Y | .- | ||
| \0\175-03-00295 | RADIATOR ASS'Y | .-. | ||
| \0\175-03-00294 | RADIATOR ASS'Y | 8531-. | ||
| \0\175-03-00293 | RADIATOR ASS'Y | 8515-8530 | ||
| \0\175-03-00292 | RADIATOR ASS'Y | 8497-8514 | ||
| 175-03-00302 | UPPER TANK ASS'Y | .- | ||
| \0\175-03-00301 | UPPER TANK ASS'Y | 8497-. | ||
| 1 | 175-03-32921 | TANK,UPPER | .- | |
| 1 | \0\175-03-32920 | TANK,UPPER | 8497-. | |
| 2 | 154-03-11682 | VALVE | 8417-. | |
| 3 | 07000-43045 | O-RING | 8497-. | |
| 4 | 175-03-32570 | SCREEN | 8417-. | |
| 5 | 01010-31025 | BOLT | 5508-. | |
| 6 | 01602-01030 | WASHER | 5508-. | |
| 7 | 07053-10000 | CAP | 5508- | |
| 7 | 07093-20000 | CAP,(FOR VANDALISM PROTECTION) | 5508- | |
| 8 | 07057-03271 | RING | 5508- | |
| 9 | 07056-00048 | STRAINER | 5508- | |
| 10 | 07040-13618 | PLUG | 8497- | |
| 11 | 07002-43634 | O-RING | .- | |
| 11 | \0\07002-03634 | O-RING | 8497-. | |
| 12 | 07049-01012 | PLUG | 8497- | |
| 13 | 175-03-32262 | CORE | 8531- | |
| 13 | \0\175-03-32261 | CORE | 8497-8530 | |
| 14 | 175-03-31133 | TANK | 8497- | |
| 15 | 175-03-32930 | PLATE,L.H. | 8497- | |
| 15 | 175-03-32940 | PLATE,R.H. | 8497- | |
| 16 | 175-03-31563 | GASKET | .- | |
| 16 | \0\175-03-31153 | PACKING | 8497-. | |
| 17 | 175-03-31181 | PLATE | 8497- | |
| 18 | 175-03-32990 | PLATE | 8515- | |
| 18 | 175-03-32990 | PLATE | 8497-8514 | |
| 18A | 175-03-32660 | PLATE | 8515- | |
| 19 | 01010-31030 | BOLT | 8497- | |
| 20 | 01602-01030 | WASHER,SPRING | 8497- | |
| 21 | 01010-31020 | BOLT | 8497- | |
| 22 | 01602-01030 | WASHER,SPRING | 8497- | |
| 23 | 195-03-22160 | SEAT | 8497- | |
| 24 | 01010-31030 | BOLT | 8497- | |
| 25 | 01602-01030 | WASHER,SPRING | 8497- | |
| 26 | 195-03-11570 | SHIM, 1.0MM | 8497- | |
| 27 | 175-03-32650 | COLLAR | 8497- | |
| 28 | 01011-31835 | BOLT | 8497- | |
| 29 | 175-03-32612 | GRID | 8497- | |
| 30 | 01010-31025 | BOLT | 8497- | |
| 31 | 01643-31032 | WASHER | 8497- | |
| 32 | 198-03-22390 | BRACKET | 8513- | |
| 32 | \0\175-03-32620 | BRACKET | 8497-8512 | |
| 33 | 198-03-22410 | PLATE | 8497- | |
| 34 | 01010-31020 | BOLT | 8513- | |
| 34 | 01010-31020 | BOLT | 8497-8512 | |
| 34A | 01010-31035 | BOLT | 8513- | |
| 35 | 01602-01030 | WASHER,SPRING | 8497- | |
| 36 | 125-03-21210 | CAP | 5507-5507 |
